SKF7330BCBM轴承详细参数

发布时间:2026-04-14
角接触球轴承, 单列
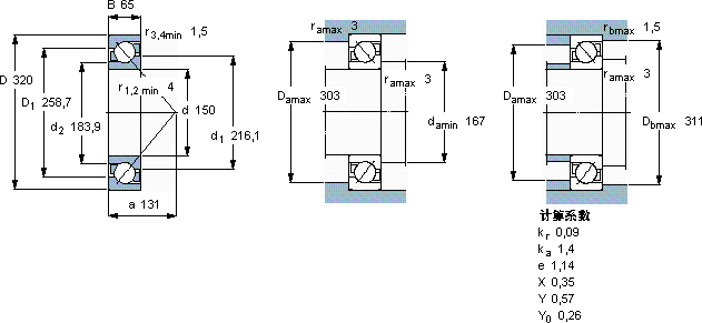
主要数据尺寸 尺寸 [英寸] 疲劳负荷限值 额定速度 体积 型号
动态 静态 参照速度 限制速度
d D B C C0 Pu
mm kN kN r/min kg -
1503206533239010,82400240025,07330 BCBM

SKF7330BCBM角接触球轴承供应商

八零动力专业销售7330BCBM角接触球轴承,库存SKF7330BCBM大量现货,与SKF合作,咨询热线:022-58519723业务咨询
SKF7330BCBM它的抗冲击性能,让它经得起各种考验 优秀的设计理念和精湛的制造工艺,成就了这款优秀的轴承它的质量卓越,为机械设备的安全运行保驾护航轴承的选材精良,确保了其具有良好的耐磨性和抗腐蚀性高精度与高可靠性的完美结合,成就了这款杰出的轴承这轴承的设计简直精妙绝伦,每一处细节都彰显着极致的工艺美学,八零动力SKF角接触球轴承品种全,价格优,质量有保证!

用户关注最多的SKF轴承型号

SKF89176M SKFC2318* SKFCR1068453 SKFCR17448 SKFCR50X62X10CRS1R SKFIR33x37x13 SKFNJG2330VH SKFNKI35/30 SKFNNU4938B/SPW33 SKFNU314ECP* SKFNU326ECM* SKFOKCX410 SKFSAFC2218 SKFSYNT40FTS SKFSYR1.3/4NH-118

7330BCBM角接触球轴承近似的SKF轴承型号

SKF7330B SKF7330B/DF SKF2x7330BCBM SKF7330B/DT SKF7330B/DB SKF7330BCBM SKF7330BCBM SKF7330B/DT SKF7332B

用户关注最多的轴承狗热门型号

国产  NU1956M SKF  SI30ES 国产  511/670F3 NTN  NJ228 RHP  NUP314 国产  6350 LYC  T 25590 STEYR  32305 LYC  6304 E/P6 NSK  6002T1XZZ SKF  NNU4876/W33 SKF  21307CCK+H307 TIMKEN  300RF92 TIMKEN  SDAF23180 TIMKEN  336/332-B

版权所有©2009-2015 轴承狗zcgou.com ICP备案:津ICP备14004550号-13