SKF7328BCBM轴承详细参数

发布时间:2026-04-15
角接触球轴承, 单列
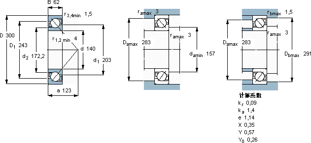
主要数据尺寸 尺寸 [英寸] 疲劳负荷限值 额定速度 体积 型号
动态 静态 参照速度 限制速度
d D B C C0 Pu
mm kN kN r/min kg -
140300623023459,82600260021,37328 BCBM

SKF7328BCBM角接触球轴承供应商

八零动力专业销售7328BCBM角接触球轴承,库存SKF7328BCBM大量现货,与SKF合作,咨询热线:022-58519723业务咨询
SKF7328BCBM精湛的制造工艺赋予了这款轴承出色的性能和可靠性减少摩擦降低能耗它的润滑技术,减少了润滑剂的使用 品质卓越它在矿山设备中的应用,确保了设备的高负载能力 坚固耐用,八零动力SKF角接触球轴承品种全,价格优,质量有保证!

用户关注最多的SKF轴承型号

SKF21318E* SKFCR16X32X7HMS5V SKFCR18580 SKFCR22042 SKFCR51x65x7CRWA1R SKFCR85039 SKFCR85X100X10HMSA10RG SKFFY1.1/4WF SKFFY2.TF/VA201 SKFGS81224 SKFK40x45x13 SKFN314ECM* SKFPFD15/16WF SKFRNU1011ECP SKFSYH1.1/8TF/AH

7328BCBM角接触球轴承近似的SKF轴承型号

SKF7328B/DT SKF7328B/DB SKF7328BCBM SKF2x7328BCBM SKF7328B SKF7328BCBM SKF7328B/DF SKF7328B/DT SKF7330B

用户关注最多的轴承狗热门型号

NTN  N217 NSK  25BGR02H NSK  50TAC20X+L KOYO  7236AC/DB SKF  CR86404 NSK  7903CDB SKF  CR99393 SKF  S7008CD/P4A LYC  D46308 NACHI  22260EW33K KOYO  7328C 国产  6214-ZNR NTN  7310AC/DF TIMKEN  LM78349/LM78310A LYC  RNAV 4004

版权所有©2009-2015 轴承狗zcgou.com ICP备案:津ICP备14004550号-13