SKF7308BECBP*轴承详细参数

发布时间:2026-05-29
角接触球轴承, 单列
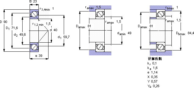
主要数据尺寸 尺寸 [英寸] 疲劳负荷限值 额定速度 体积 型号
动态 静态 参照速度 限制速度
d D B C C0 Pu * - SKF Explorer 轴承
mm kN kN r/min kg -
4090235032,51,3710000100000,617308 BECBP *

SKF7308BECBP*角接触球轴承供应商

八零动力专业销售7308BECBP*角接触球轴承,库存SKF7308BECBP*大量现货,与SKF合作,咨询热线:022-58519723业务咨询
SKF7308BECBP*是您机械世界里的不败功臣,它的精密测量技术,确保了每一件产品的品质 为您的机械注入强大动力,卓越的设计理念,赋予了这款轴承超凡的性能它的轴向跳动控制,确保了机械的平稳运行 精准承载,八零动力SKF角接触球轴承品种全,价格优,质量有保证!

用户关注最多的SKF轴承型号

SKF1726207-2RS1 SKF315811E SKF32022X/Q SKF51203V/HR22Q2 SKF61932MA SKF6201-2Z/VA201 SKF7026ACD/P4A SKF71920ACD/HCP4A SKF7303B/DB SKFCR1400018 SKFCR18X30X6HMS5V SKFCR84616 SKFHCRE040R SKFNCF18/500V SKFNNF5022ADA-2LSV

7308BECBP*角接触球轴承近似的SKF轴承型号

SKF2x7308BECBJ SKF7308BECAP* SKF7308BECBM* SKF7308BEY SKF7308BEGBP* SKF7308BECBP SKF7308BECBY SKF2x7308BECBPH* SKF7308BECCY SKF7308BEGBM* SKF7308BECBM* SKF7308BECBPH*

用户关注最多的轴承狗热门型号

NTN  29368 NACHI  NUP2224E FAG  SNV170-L + 1316-K-M-C3 + H316 + DH616 SKF  RNU212ECP* NSK  RLM304025 MRC  7315B SKF  PCMF202311.5B NSK  NUP336EM INA  UFA3210 NACHI  SN205F SKF  C2218K+AHX318* SKF  2217 SKF  CR75X95X12HMS5V FAG  6044-M SKF  7040C/DB

版权所有©2009-2015 轴承狗zcgou.com ICP备案:津ICP备14004550号-13