SKF7280BM轴承详细参数

发布时间:2026-05-30
角接触球轴承, 单列
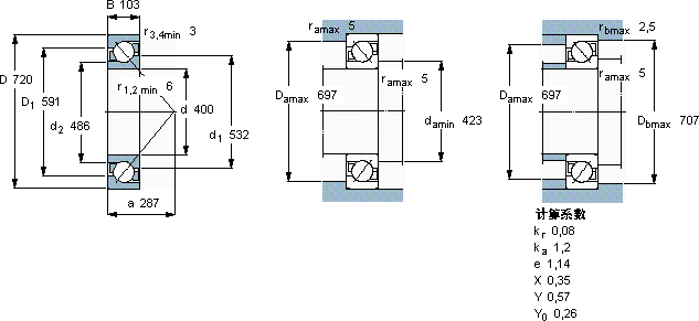
主要数据尺寸 尺寸 [英寸] 疲劳负荷限值 额定速度 体积 型号
动态 静态 参照速度 限制速度
d D B C C0 Pu
mm kN kN r/min kg -
400720103728150026,59009501907280 BM

SKF7280BM角接触球轴承供应商

八零动力专业销售7280BM角接触球轴承,库存SKF7280BM大量现货,与SKF合作,咨询热线:022-58519723业务咨询
SKF7280BM它的质量过硬,为机械设备的高效、安全运行提供了保障它的密封性能,完美抵御灰尘和杂质的侵袭 是您设备高效运转的可靠伙伴,它的几何精度,让机械运转分毫不差 它的每一次转动,都是对效率的极致追求 转动的艺术,八零动力SKF角接触球轴承品种全,价格优,质量有保证!

用户关注最多的SKF轴承型号

SKF3205A-2Z/MT33* SKF63000-2RS1 SKF6303-ZNR* SKF638-2RZ SKF81214 SKF89311TN SKFBGSB358344 SKFCR270x310x20HS8R SKFCR610x660x20HDS2R SKFFBSA207/DF SKFNCF3014CV SKFNJ2328E SKFS7007DB/P7 SKFS71922CD/HCP4A SKFSNW17x3

7280BM角接触球轴承近似的SKF轴承型号

SKF7280BM SKF7272BM SKF7300B

用户关注最多的轴承狗热门型号

SKF  E2.6304-2Z/C3 INA  RAY15 FAG  SNV240-L + 1322-M + DH222 LYC  6311 E/V2 SKF  NKIB5908 FAG  7005-B-2RS-TVP SKF  CR400204 SKF  C4034V* NSK  6306T1XVV LYC  22319 K/C3 INA  AXK75100 NSK  53211U SKF  BT2B328957 SKF  CR40X72X10HMS5V SKF  626-RZ

版权所有©2009-2015 轴承狗zcgou.com ICP备案:津ICP备14004550号-13