SKF7244BCBM轴承详细参数

发布时间:2026-05-31
角接触球轴承, 单列
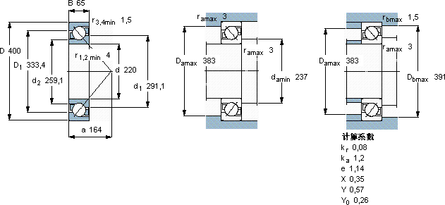
主要数据尺寸 尺寸 [英寸] 疲劳负荷限值 额定速度 体积 型号
动态 静态 参照速度 限制速度
d D B C C0 Pu
mm kN kN r/min kg -
2204006539056013,41800180035,27244 BCBM

SKF7244BCBM角接触球轴承供应商

八零动力专业销售7244BCBM角接触球轴承,库存SKF7244BCBM大量现货,与SKF合作,咨询热线:022-58519723业务咨询
SKF7244BCBM它的高效率,让机械运转更加节能 该轴承的性能优越,极大地提高了设备的工作效率承载无限可能,它的轴向跳动控制,确保了机械的平稳运行 它在建筑机械中的应用,确保了设备的可靠性 它的沟槽设计,完美匹配滚动体的运动轨迹 ,八零动力SKF角接触球轴承品种全,价格优,质量有保证!

用户关注最多的SKF轴承型号

SKF23152CACK/33+H3152 SKF2x7324BCBM SKF51100V/HR11T1 SKF633-Z SKFBS2B243487A SKFCR56X78X10HMS1R SKFE2.22213 SKFNAO12x24x13 SKFNJ1032ML SKFNU213ECP* SKFPCM758050E SKFSNL3160G SKFSY1.1/8FM SKFSYR2.1/2N-118 SKFUE211

7244BCBM角接触球轴承近似的SKF轴承型号

SKF7244AC/DB SKF7244C/DB SKF7244AC/DT SKF7244BCBM SKF7244BCBM SKF7244B/DF SKF7244C/DT SKF7244B SKF7244B/DT SKF2x7244BCBM SKF7244C/DT SKF7248BCBM

用户关注最多的轴承狗热门型号

SKF  FYRP3.11/16H-3 INA  NKXR15-Z NTN  61902-Z SKF  CR90103 STEYR  7226B/DB SKF  NU29/1060ECMA/HB1 TIMKEN  YA115RRB SKF  CR99437 FLT  N310 RHP  7012C FAG  BND3236-H-W-T-BL-S NSK  NN3019MBKR TIMKEN  26118/26300 LYC  6308 E/Z2 IKO  KT15199

版权所有©2009-2015 轴承狗zcgou.com ICP备案:津ICP备14004550号-13