SKF7240BCBM轴承详细参数

发布时间:2026-04-27
角接触球轴承, 单列
主要数据尺寸 尺寸 [英寸] 疲劳负荷限值 额定速度 体积 型号
动态 静态 参照速度 限制速度
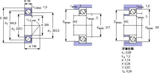
d D B C C0 Pu
mm kN kN r/min kg -
20036058325430111800200025,07240 BCBM

SKF7240BCBM角接触球轴承供应商

八零动力专业销售7240BCBM角接触球轴承,库存SKF7240BCBM大量现货,与SKF合作,咨询热线:022-58519723业务咨询
SKF7240BCBM匠心制造开启顺畅运行新时代,它的静音设计,让机械运转如丝般顺滑 它的抗剪切性能,确保了它的结构稳定性 性能优越的轴承,极大地提升了设备的工作性能和效率先进的生产工艺,打造出了这款性能卓越的轴承,八零动力SKF角接触球轴承品种全,价格优,质量有保证!

用户关注最多的SKF轴承型号

SKF219 SKF24024CC/W33* SKF31319J2 SKF619/9-2Z SKFBT4B328838BG/HA1VA901 SKFCR23691 SKFCR50172 SKFCR55x72x8CRW1R SKFCR99264 SKFFSYE2.7/16 SKFNNCL4934CV SKFNUP2312ECP* SKFPF1.3/4RM SKFSYH1.3/16WF SKFSYR2.15/16NH

7240BCBM角接触球轴承近似的SKF轴承型号

SKF7240B/DT SKF7240AC/DT SKF7240C/DB SKF7240AC/DF SKF7240B SKF7240C/DT SKF7240AC/DB SKF7240AC SKF2x7240BCBM SKF7240BCBM SKF7240C/DT SKF7244AC

用户关注最多的轴承狗热门型号

NTN  NUP2314E FLT  NUP2326 INA  PSHE25-N NSK  6228DDU SKF  21307CCK KOYO  30R3414A NACHI  340KBD031 FAG  NJ330-E-M1 + HJ330E INA  RUKS55-D-A-SO FAG  HCB71918-C-2RSD-T-P4S INA  GAY35-NPP-B TIMKEN  469/452D+X2S-469 LYC  1788/1040G2K1 SKF  SNP3264x11.15/16 IKO  CRY30VUUR

版权所有©2009-2015 轴承狗zcgou.com ICP备案:津ICP备14004550号-13