SKF7238BCBM轴承详细参数

发布时间:2026-04-14
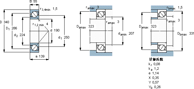
角接触球轴承, 单列
主要数据尺寸 尺寸 [英寸] 疲劳负荷限值 额定速度 体积 型号
动态 静态 参照速度 限制速度
d D B C C0 Pu
mm kN kN r/min kg -
1903405530740510,42000220021,97238 BCBM

SKF7238BCBM角接触球轴承供应商

八零动力专业销售7238BCBM角接触球轴承,库存SKF7238BCBM大量现货,与SKF合作,咨询热线:022-58519723业务咨询
SKF7238BCBM设计合理、性能优良的轴承,是机械设备的理想之选精准承载给您意想不到的顺畅体验,精密与耐用的完美结合,它的耐腐蚀性,减少了维护成本 是您值得信赖的工业伙伴,为您的机械保驾护航,八零动力SKF角接触球轴承品种全,价格优,质量有保证!

用户关注最多的SKF轴承型号

SKF2211E-2RS1TN9 SKF230/670CAK/W33+AOH30/670* SKF51207 SKF52406 SKF6200-2ZN SKF71816CD/P4A SKF718/710ACMB SKF7224BCBM SKFC4126K30V/VE240* SKFCR30095 SKFNNCL4944CV SKFK120x127x24 SKFK15x20x13 SKFNU2219ECJ* SKFT4DB180

7238BCBM角接触球轴承近似的SKF轴承型号

SKF7238BCBM SKF7238C/DF SKF2x7238BCBM SKF7238AC/DF SKF7238C SKF7238C/DB SKF7238B/DB SKF7238AC/DB SKF7238B/DF SKF7238B SKF7238C/DF SKF7240AC

用户关注最多的轴承狗热门型号

国产  NN3028KTN1 SKF  FY40TF/VA201 FAG  NNU4960-S-K-M-SP SKF  6204-2RS SKF  C2244* TIMKEN  M235149/M235113CD/M235149XB KOYO  6208-2RS INA  GE20-KRR-B-FA125.5 NSK  NU205EM SNR  7315AC KOYO  23292CACK/W33 MRC  QJ309 NACHI  NJ216E IKO  IRT3025 IKO  CRW15-600

版权所有©2009-2015 轴承狗zcgou.com ICP备案:津ICP备14004550号-13