SKF7236BCBM轴承详细参数

发布时间:2026-04-29
角接触球轴承, 单列
主要数据尺寸 尺寸 [英寸] 疲劳负荷限值 额定速度 体积 型号
动态 静态 参照速度 限制速度
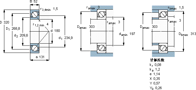
d D B C C0 Pu
mm kN kN r/min kg -
18032052291375102200240017,67236 BCBM

SKF7236BCBM角接触球轴承供应商

八零动力专业销售7236BCBM角接触球轴承,库存SKF7236BCBM大量现货,与SKF合作,咨询热线:022-58519723业务咨询
SKF7236BCBM它的可靠性,赢得了无数用户的信赖 制造工艺精湛,使得这款轴承在运转时更加顺畅平稳承载未来其设计和制造工艺都达到了国际先进水平,是一款优质轴承设计独特、性能优越的轴承,满足了不同用户的需求优秀的设计理念和精湛的制造工艺,成就了这款优秀的轴承,八零动力SKF角接触球轴承品种全,价格优,质量有保证!

用户关注最多的SKF轴承型号

SKF313 SKF51180F SKF6213-2RS SKF7013C SKF71905CE/P4A SKFBSC-2039V* SKFCR5150 SKFCR52X85X10HMS5RG SKFFSYE3.15/16H-3 SKFNNCL4936CV SKFNU2348ECMA SKFPCM040504E/VB055 SKFPCMS2005002.5B SKFS71920ACD/HCP4A SKFYEL209-111-2FCW

7236BCBM角接触球轴承近似的SKF轴承型号

SKF7236B/DT SKF7236AC/DT SKF7236C/DT SKF7236BCAM SKF2x7236BCAM SKF7236BCBM SKF7236AC/DF SKF7236B SKF7236C/DB SKF2x7236BCBM SKF7236BCAM SKF7238AC

用户关注最多的轴承狗热门型号

SKF  CR80x140x12CRW1R LYC  NNU 6/440HC/C3 SKF  NUP314ECML* MAC  NU1060 NSK  7948A5TYNP5 NSK  HR30305J LYC  352860 X2 TIMKEN  12SF20-SS TORRINGTON FAFNIR  6305-Z LYC  3E32230EQPT NSK  7314BDB KOYO  23272CACK/W33+H3272 INA  LR5305-2RS IKO  TLA2020Z IKO  CR36

版权所有©2009-2015 轴承狗zcgou.com ICP备案:津ICP备14004550号-13