SKF7234BCBM轴承详细参数

发布时间:2026-04-15
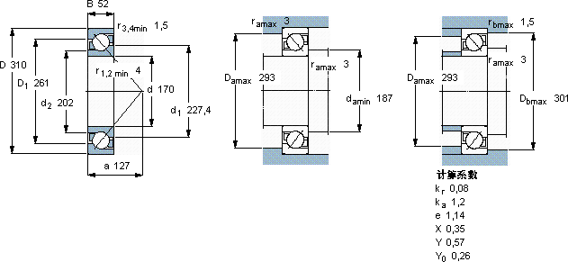
角接触球轴承, 单列
主要数据尺寸 尺寸 [英寸] 疲劳负荷限值 额定速度 体积 型号
动态 静态 参照速度 限制速度
d D B C C0 Pu
mm kN kN r/min kg -
170310522813459,52400240016,77234 BCBM

SKF7234BCBM角接触球轴承供应商

八零动力专业销售7234BCBM角接触球轴承,库存SKF7234BCBM大量现货,与SKF合作,咨询热线:022-58519723业务咨询
SKF7234BCBM它在船舶工业中的应用,展现了它的耐腐蚀性 它的承载能力,堪称机械界的“大力士” 其质量上乘,是众多机械设备不可或缺的优质配件优秀的设计理念和精湛的制造工艺,成就了这款杰出的轴承高精度的制造工艺,让这款轴承的性能更加出色轴承的稳定性和可靠性表现出色,赢得了用户的高度认可,八零动力SKF角接触球轴承品种全,价格优,质量有保证!

用户关注最多的SKF轴承型号

SKF211-2Z SKF31328XJ2 SKF6202-2RSL* SKF7311B SKFAXK140180 SKFCR17832 SKFCR20X34X7HMS5V SKFCR34398 SKFFYR2.3/16H-18 SKFHK0509 SKFNKIA5909 SKFPFD40RM SKFSTO50 SKFSYE1.3/4-18 SKFYAR204-012-2F/AH

7234BCBM角接触球轴承近似的SKF轴承型号

SKF7234AC/DT SKF7234AC SKF7234B/DB SKF7234B/DT SKF7234AC/DF SKF7234B SKF2x7234BCBM SKF7234B/DF SKF7234BCBM SKF7234C/DB SKF7234C/DT SKF7236AC

用户关注最多的轴承狗热门型号

SKF  29356 STEYR  53209U SKF  6307-2Z/VA208 FAG  B71932-C-T-P4S KOYO  RS242813 国产  N338M BARDEN  7019AC/DT KOYO  7213B/DF SKF  61880MA 国产  UCPA210 NSK  6200 SKF  CR19677 INA  GE630-DW IKO  CFES6UUR IKO  GBR142216U

版权所有©2009-2015 轴承狗zcgou.com ICP备案:津ICP备14004550号-13