SKF7226BM轴承详细参数

发布时间:2026-05-30
角接触球轴承, 单列
主要数据尺寸 尺寸 [英寸] 疲劳负荷限值 额定速度 体积 型号
动态 静态 参照速度 限制速度
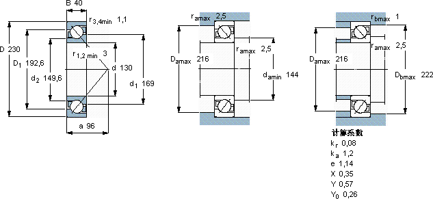
d D B C C0 Pu
mm kN kN r/min kg -
130230401861936,1320034006,767226 BM

SKF7226BM角接触球轴承供应商

八零动力专业销售7226BM角接触球轴承,库存SKF7226BM大量现货,与SKF合作,咨询热线:022-58519723业务咨询
SKF7226BM出色的性能表现,让这款轴承成为行业内的明星产品,它在汽车工业中的应用,让车辆运行更加平稳 它的加工设备,代表了世界领先水平 它的微观表面处理,减少了摩擦和磨损 它在农业机械中的应用,展现了它的耐用性 转动世界的精密之选,,八零动力SKF角接触球轴承品种全,价格优,质量有保证!

用户关注最多的SKF轴承型号

SKF22317CCK/W33 SKF22328CCJA/W33VA406 SKF29420E* SKF2x7236BCBM SKF30208RJ2/Q SKF51126 SKF61912-2RS1 SKF7410BCBM SKFBA1B311745 SKFCR13937 SKFCR70X90X10HMSA10RG SKFNUTR40A SKFPWM404860 SKFS71930CD/P4A SKFSNL3180FTURT

7226BM角接触球轴承近似的SKF轴承型号

SKF7226BM SKF2x7226BCBM SKF7226C SKF7226AC/DB SKF2x7226BGAM SKF7226BCBM SKF7226B/DT SKF7226AC/DF SKF7226C/DT SKF7226AC SKF7226BGAM SKF7228AC

用户关注最多的轴承狗热门型号

RHP  QJ314 SKF  231/850CA/W33 国产  HK3512 SKF  22252CAC/W33 STEYR  NJ2216E FAG  SNV150-L + 20217-K-MB-C3 + H217X215 + TSV517 INA  GAKR16-PB NTN  7318C SKF  29484 SKF  22316EK* TIMKEN  336/3320 SKF  SY5/8FM STEYR  51201 SKF  NNF5006ADA-2LSV INA  PAP9060-P11

版权所有©2009-2015 轴承狗zcgou.com ICP备案:津ICP备14004550号-13