SKF722522B轴承详细参数

发布时间:2026-05-30
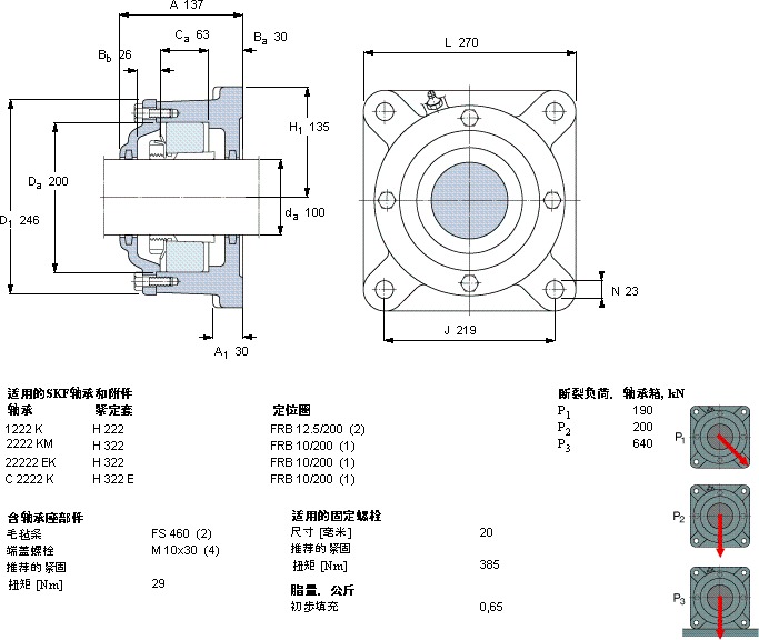
法兰式轴承座, 7225(00) 用于紧定套安装轴承
适宜的轴承 轴承座
(基本型号) 主要数据尺寸 体积 型号
自调心球球面滚子CARB 轴承座与
da轴承轴承轴承 A L H H1 毛毡密封件
mm mm kg -
1001222 K2222 K22222 KC 2222 K13727027013521,5722522 B

SKF722522B7225(00)系列法兰轴承座供应商

八零动力专业销售722522B7225(00)系列法兰轴承座,库存SKF722522B大量现货,与SKF合作,咨询热线:022-58519723业务咨询
SKF722522B它的精密性,让它在高精度设备中无可替代 性能卓越的它,为机械设备的稳定运行提供了可靠保障卓越的性能和可靠的质量,让这款轴承成为市场的宠儿设计独特的轴承,不仅性能优越,还具有很高的性价比高品质的轴承,在复杂工况下也能展现出卓越的性能畅享稳定顺滑的旋转之旅,,八零动力SKF7225(00)系列法兰轴承座品种全,价格优,质量有保证!

用户关注最多的SKF轴承型号

SKF22324CCJA/W33VA405* SKF6015* SKF7014CE/HCP4A SKF71909DB/P7 SKFCR13920 SKFCR40X58X8HMSA10RG SKFCR50X68X10HMSA10V SKFFYRP4 SKFGS81220 SKFP72R-1.1/8FM SKFPFT1.5/16FM SKFQJ217 SKFRNA4905RS SKFSNL3064/11.15/16TURT SKFSYR2.15/16-18

722522B7225(00)系列法兰轴承座近似的SKF轴承型号

SKF722522A SKF722522B SKF722522A SKF7226AC

用户关注最多的轴承狗热门型号

ASAHI  UCFLU319 GMN  7008C/DF LYC  7941/25 FAG  SNV180-L + 22317-E1-K + H2317X215 + TCV617 KOYO  46T32210JR/43.5 TORRINGTON&FAFNIR  3209A-Z TIMKEN  36KLL FAG  SNV130-L + 1215-TVH + DHV215 TIMKEN  3387 /3320-B KOYO  45276 KOYO  22332RK+AH2332 TORRINGTON FAFNIR  6009-2RS NACHI  7003CDT KINGON  F686 SKF  NU216ECM*

版权所有©2009-2015 轴承狗zcgou.com ICP备案:津ICP备14004550号-13