SKF7224BCBM轴承详细参数

发布时间:2026-05-30
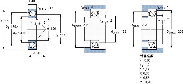
角接触球轴承, 单列
主要数据尺寸 尺寸 [英寸] 疲劳负荷限值 额定速度 体积 型号
动态 静态 参照速度 限制速度
d D B C C0 Pu
mm kN kN r/min kg -
120215401651635,3340036005,897224 BCBM

SKF7224BCBM角接触球轴承供应商

八零动力专业销售7224BCBM角接触球轴承,库存SKF7224BCBM大量现货,与SKF合作,咨询热线:022-58519723业务咨询
SKF7224BCBM轴承的精度极高,使得设备的运行误差被控制在极小范围内它在食品机械中的应用,展现了它的卫生性能 这款轴承的性能卓越,有效提升了设备的整体性能和可靠性从制造工艺到实际性能,这款轴承都表现得十分出色,给您意想不到的顺畅体验,打造出了性能卓越的这款轴承,该轴承的精度控制达到了极致,八零动力SKF角接触球轴承品种全,价格优,质量有保证!

用户关注最多的SKF轴承型号

SKF31308J2/QCL7CDF* SKF306474D SKF32217J2/QDF SKF331480G SKF6211/HR22Q2 SKF6314-ZNR* SKF7018CE/HCP4A SKF71916CD/P4A SKFBT2B332761 SKFCR160X185X15HMSA10V SKFCR850x925x27HDS1R SKFNU306ECML* SKFPCMW386201.5B SKFSAW23538X6.13/16 SKFSYL40TH

7224BCBM角接触球轴承近似的SKF轴承型号

SKF2x7224BGAM SKF7224B/DF SKF7224C SKF7224BCBM SKF7224C/DB SKF7224C/DT SKF7224BM SKF7224C/DF SKF7224BGAM SKF7224AC/DB SKF7224CD/P4A SKF7224BGAM

用户关注最多的轴承狗热门型号

NACHI  23219E TIMKEN  LM742749/LM742710-B KOYO  23044CCK/W33 LYC  6206 E/C4 TIMKEN  220RU03 FAG  NJ2220-E-TVP2 + HJ2220E SKF  NUP316ECP SKF  SNL3138G SKF  292/800 LYC  30303/P5/S1 FAG  KUG4,762 KOYO  NU211 STEYR  609-2Z SKF  NK60/35 SKF  CR35X72X12HMSA10RG

版权所有©2009-2015 轴承狗zcgou.com ICP备案:津ICP备14004550号-13