SKF7201BEP轴承详细参数

发布时间:2026-04-14
角接触球轴承, 单列
主要数据尺寸 尺寸 [英寸] 疲劳负荷限值 额定速度 体积 型号
动态 静态 参照速度 限制速度
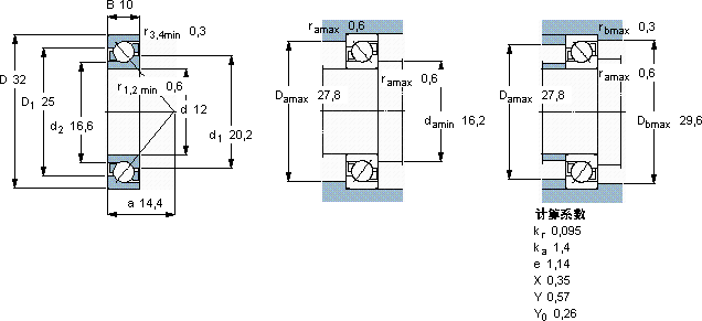
d D B C C0 Pu
mm kN kN r/min kg -
1232107,613,80,1626000260000,0367201 BEP

SKF7201BEP角接触球轴承供应商

八零动力专业销售7201BEP角接触球轴承,库存SKF7201BEP大量现货,与SKF合作,咨询热线:022-58519723业务咨询
SKF7201BEP制造工艺精湛,使得这款轴承的精度和稳定性都非常出色它的滚动体分布均匀,运转平稳无振动 优秀的轴承,就像精密仪器的心脏,确保着整个系统的高效运转它在建筑机械中的应用,确保了设备的可靠性 畅享稳定顺滑的旋转之旅,它的静音设计,让机械运转如丝般顺滑 ,八零动力SKF角接触球轴承品种全,价格优,质量有保证!

用户关注最多的SKF轴承型号

SKF60/530N1MAS SKF71902ACD/P4A SKFC7019DB/P7 SKFCR12611 SKFCR84579 SKFFYTJ1.1/2TF SKFK185x195x37 SKFLM245848/810 SKFN2309 SKFNN3048K/SPW33 SKFNNU4936B/SPW33 SKFNUP316ECP* SKFOKBS81 SKFQJ202N2MA SKFS71909ACD/P4A

7201BEP角接触球轴承近似的SKF轴承型号

SKF2x7201BEGAP SKF7201AC SKF7201BEP SKF2x7201BECBP SKF7201BECBP SKF7201C/DF SKF7201B SKF7201BEGAP SKF7201B/DT SKF7201AC/DF SKF7201BEGAP SKF7202AC

用户关注最多的轴承狗热门型号

INA  AUV38134 NSK  7205BWG TIMKEN  596-S/592-B TIMKEN  HM926749/HM926710 LYC  7306 ACN2L1/P6DFS0 NSK  1210 INA  SCH913-P TIMKEN  HM231132/HM231115 SKF  NCF3084CV BARDEN  7221C/DB NSK  69/630MA 国产  NF204 FYH  UK326+H2326 DKF  7036AC/DT IKO  RNA49-42

版权所有©2009-2015 轴承狗zcgou.com ICP备案:津ICP备14004550号-13