SKF71988ACMB轴承详细参数

发布时间:2026-05-30
角接触球轴承, 单列
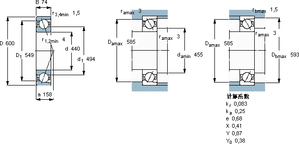
主要数据尺寸 尺寸 [英寸] 疲劳负荷限值 额定速度 体积 型号
动态 静态 参照速度 限制速度
d D B C C0 Pu
mm kN kN r/min kg -
44060074507104019,31000110061,071988 ACMB

SKF71988ACMB角接触球轴承供应商

八零动力专业销售71988ACMB角接触球轴承,库存SKF71988ACMB大量现货,与SKF合作,咨询热线:022-58519723业务咨询
SKF71988ACMB它的稳定性,让它在各种环境下都能可靠工作 每一次转动都是精准与力量的完美呈现,优秀的轴承,就像精密仪器的心脏,确保着整个系统的高效运转畅享稳定顺滑的旋转之旅,高精度与高可靠性的完美结合,成就了这款杰出的轴承性能卓越的它,为机械设备的稳定运行提供了可靠保障,八零动力SKF角接触球轴承品种全,价格优,质量有保证!

用户关注最多的SKF轴承型号

SKF32044T165X/DB42C220 SKF353106D SKF7212ACD/P4A SKFBEAM030100-2RS SKFBT4B328956/HA4 SKFCR22626 SKFCR404503 SKFCR7X22X7HMS5V SKFCR99834 SKFFY1.1/4TF SKFNA4909.2RS SKFRNA4903RS SKFS7018ACD/P4A SKFSNW124x4.1/4 SKFSYH1.15/16WF

71988ACMB角接触球轴承近似的SKF轴承型号

SKF71988ACMB SKF71984BM SKF71992ACM

用户关注最多的轴承狗热门型号

NTN  4T-30204 NACHI  SN230F 国产  6000-2Z/Z2 SKF  CR260x300x16HDS2R RHP  7226C FAG  SNV085-L + 2209-K-TVH-C3 + H309X108 + FSV509X108 TORRINGTON  AXK4060 STEYR  N415 FAG  SNV290-L + 22232-E1 + TSV232 TIMKEN  15120/15244 MRC  3201A BARDEN  7219C/DT TIMKEN  98350 /98788-B MRC  7313B/DB IKO  LM203242UU

版权所有©2009-2015 轴承狗zcgou.com ICP备案:津ICP备14004550号-13