SKF71972AMB轴承详细参数

发布时间:2026-04-14
角接触球轴承, 单列
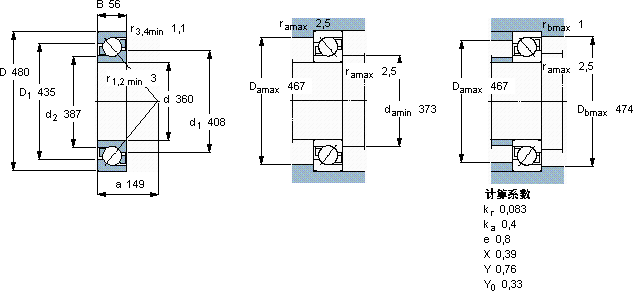
主要数据尺寸 尺寸 [英寸] 疲劳负荷限值 额定速度 体积 型号
动态 静态 参照速度 限制速度
d D B C C0 Pu
mm kN kN r/min kg -
3604805633861012,51400150028,571972 AMB

SKF71972AMB角接触球轴承供应商

八零动力专业销售71972AMB角接触球轴承,库存SKF71972AMB大量现货,与SKF合作,咨询热线:022-58519723业务咨询
SKF71972AMB它的制造工艺,堪称工业艺术的典范 您值得拥有轴承的选材精良,确保了其具有良好的耐磨性和抗腐蚀性优秀的设计和卓越的性能,让这款轴承备受青睐品质卓越的它,为机械设备的稳定、高效运行提供了支持它的抗压强度,让它承载能力惊人 ,八零动力SKF角接触球轴承品种全,价格优,质量有保证!

用户关注最多的SKF轴承型号

SKF2x7208BECBP* SKF4312ATN9 SKF61802-2RS SKF7011AC/DB SKFCR1025017 SKFFSYE3.H-18 SKFFY2.7/16WF SKFFYNT100F SKFFYT50TF/VA228 SKFHA2324L SKFK22x26x17 SKFNNCF4838CV SKFNNU4968B/SPW33 SKFQJ1268MA/344524 SKFSAF22515x2.3/8

71972AMB角接触球轴承近似的SKF轴承型号

SKF71972BM SKF2x71972ACGMB SKF71972AMB SKF71972ACMB SKF71972ACMB SKF71972BM

用户关注最多的轴承狗热门型号

SKF  FSNL617TURU SNR  30226 NSK  23056CAMKE4 SKF  SY50TF/VA228 FAG  SNV200-L + 1222-K-M-C3 + H222X312 + DH522X312 TORRINGTON&FAFNIR  3310 SNR  7309AC/DT FAG  BND3228-Z-Y-BL-S SKF  SYE2.11/16 国产  NU219E MRC  7222B SKF  CR79960 NTN  22220BK+H320X FAG  ZRB28X40-QP ASK  NUP224

版权所有©2009-2015 轴承狗zcgou.com ICP备案:津ICP备14004550号-13