SKF718/600AMB轴承详细参数

发布时间:2026-05-31
角接触球轴承, 单列
主要数据尺寸 尺寸 [英寸] 疲劳负荷限值 额定速度 体积 型号
动态 静态 参照速度 限制速度
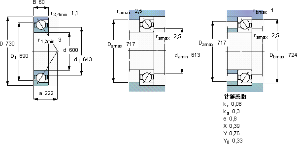
d D B C C0 Pu
mm kN kN r/min kg -
60073060449110018,380085047,0718/600 AMB

SKF718/600AMB角接触球轴承供应商

八零动力专业销售718/600AMB角接触球轴承,库存SKF718/600AMB大量现货,与SKF合作,咨询热线:022-58519723业务咨询
SKF718/600AMB它的耐高温性能,减少了冷却系统的能耗 先进的制造工艺,让这款轴承的性能更加稳定可靠它在家用电器中的应用,让生活更加便捷 先进的生产工艺,打造出了这款性能卓越的轴承它的质量可靠,是众多机械设备制造商的首选配件它的滚动体分布均匀,运转平稳无振动 ,八零动力SKF角接触球轴承品种全,价格优,质量有保证!

用户关注最多的SKF轴承型号

SKF230/900CAK/W33+AOH30/900 SKF33017 SKF3308A-2Z/MT33* SKF7011CE/P4A SKFAS140180 SKFBT4-8003G/HA1VA902* SKFC3138K+H3138L* SKFCR52X80X10HMS5V SKFH3140 SKFNNC4924CV SKFNUP2210ECML* SKFNUP2320ECML* SKFPCM160165100B SKFSYH1.1/4ATF SKFT7FC060/QCL7C

718/600AMB角接触球轴承近似的SKF轴承型号

SKF718/530AMB SKF718/560AMB SKF718/750AGMB SKF2x718/710ACGMB SKF2x718/560AGMB SKF718/710AMB SKF718/600AC/VQ074 SKF718/670AMB SKF2x71892AGMB SKF71876ACGAMB SKF718/600AC/VQ074 SKF718/670ACMB

用户关注最多的轴承狗热门型号

FAG  BND3248-H-C-T-AL-S ZKL  7216B/DT RHP  1319 FLT  NU2309 国产  6016-ZNR LYC  N 314 M LYC  6005 E-2RZ/P6 KOYO  6230ZZX SNR  60/32 SKF  SNW134x5.7/8 LYC  FD-8787/1716K1 FAG  3812-B-TVH NSK  51113 SKF  CR850x925x27HDS1R LYC  N 612/C9

版权所有©2009-2015 轴承狗zcgou.com ICP备案:津ICP备14004550号-13