SKF71872ACM/P5DB轴承详细参数

发布时间:2026-05-29
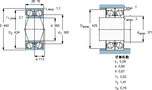
角接触球轴承, 单列,用于配对安装, 背对背配对
主要数据尺寸 基本负荷额定值 疲劳负荷限值 额定速度 体积 型号 轴承配对
动态 静态 参照速度 限制速度
d D 2B C C0 Pu
mm kN kN r/min kg --
36044076377850181200150024,071872 ACM/P5DBDB

SKF71872ACM/P5DB角接触球轴承供应商

八零动力专业销售71872ACM/P5DB角接触球轴承,库存SKF71872ACM/P5DB大量现货,与SKF合作,咨询热线:022-58519723业务咨询
SKF71872ACM/P5DB稳定旋转的核心力量它的耐腐蚀性,让它经久不衰 它的每一次转动,都是对效率的极致追求 优秀的设计和卓越的性能,让这款轴承备受青睐这轴承的设计巧妙,充分考虑了设备的运行需求和维护便利性它在汽车工业中的应用,让车辆运行更加平稳 ,八零动力SKF角接触球轴承品种全,价格优,质量有保证!

用户关注最多的SKF轴承型号

SKF2212EKTN9 SKF2217 SKF25590/25522/Q SKF7038CD/P4A SKFA4059/A4138 SKFC3988M* SKFCR160x185x13CRSA1V SKFCR30x48x8CRW1R SKFFSNL513-611 SKFHE308 SKFHM903249/2/210/QCL7C SKFNU29/1060ECMA/HB1 SKFOKF460 SKFPF35TR SKFSDAF22544

71872ACM/P5DB角接触球轴承近似的SKF轴承型号

SKF71872ACM/P5DB SKF71872ACM/P5 SKF71872ACM/P5 SKF71876ACGAMB

用户关注最多的轴承狗热门型号

SKF  2x7222BECBM SKF  CR1055x1100x25HS8D ASK  NUP209 LYC  6903-2Z SKF  NNC4914CV GMN  71911C SKF  CR592653 SKF  22336CCK/W33+H2336* SKF  C3138K* MRC  7207C SNR  6302-RS SKF  238/500CAMA/W20 IKO  TLA5520Z IKO  NART45VR IKO  TAF152316-SG

版权所有©2009-2015 轴承狗zcgou.com ICP备案:津ICP备14004550号-13