SKF7088AM轴承详细参数

发布时间:2026-04-15
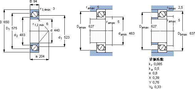
角接触球轴承, 单列
主要数据尺寸 尺寸 [英寸] 疲劳负荷限值 额定速度 体积 型号
动态 静态 参照速度 限制速度
d D B C C0 Pu
mm kN kN r/min kg -
44065094650132024100011001007088 AM

SKF7088AM角接触球轴承供应商

八零动力专业销售7088AM角接触球轴承,库存SKF7088AM大量现货,与SKF合作,咨询热线:022-58519723业务咨询
SKF7088AM它的精准度,让机械运转分毫不差 轴承的精度极高,使得设备的运行误差被控制在极小范围内让您的设备高效运行,品质卓越它的沟槽设计,完美匹配滚动体的运动轨迹 它的精密测量技术,确保了每一件产品的品质 ,八零动力SKF角接触球轴承品种全,价格优,质量有保证!

用户关注最多的SKF轴承型号

SKF2220KM SKF23252CAC/W33 SKF61896 SKF71920ACD/HCP4A SKF7309BECBY SKF7222CD/P4A SKFBGSB358469 SKFBT2B334069/HA3 SKFCR1093440 SKFCR45X60X8HMS5RG SKFFSYE4.H-3 SKFGAC30F SKFK45x53x21 SKFNK35/20 SKFQJ305N2MA

7088AM角接触球轴承近似的SKF轴承型号

SKF7088AM SKF7088BM SKF70876AMB SKF7088BM

用户关注最多的轴承狗热门型号

TIMKEN  HH224332/HH224310 KOYO  7001C/DB SKF  619/1700MB SKF  PFT1.1/4TR STEYR  NJ2205E SKF  BT4B331333E/C575* NSK  N311 INA  KUP-6543119 ASAHI  UCK324 RHP  7220C/DT NTN  30219 KOYO  46396 NSK  7219BWDF SKF  Z204F FAG  SNV260-L + 22324-E1-K + H2324X403 + FSV524X403

版权所有©2009-2015 轴承狗zcgou.com ICP备案:津ICP备14004550号-13