SKF7030BGM轴承详细参数

发布时间:2026-05-23
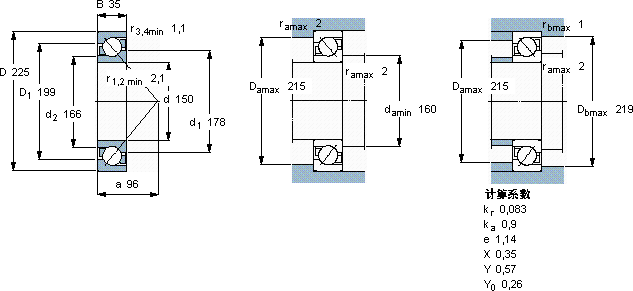
角接触球轴承, 单列
主要数据尺寸 尺寸 [英寸] 疲劳负荷限值 额定速度 体积 型号
动态 静态 参照速度 限制速度
d D B C C0 Pu
mm kN kN r/min kg -
150225351331464,55300032004,707030 BGM

SKF7030BGM角接触球轴承供应商

八零动力专业销售7030BGM角接触球轴承,库存SKF7030BGM大量现货,与SKF合作,咨询热线:022-58519723业务咨询
SKF7030BGM它的耐腐蚀性,减少了维护成本 它的耐高温性能,减少了冷却系统的能耗 它的密封性能,减少了润滑剂的泄漏 卓越的设计和可靠的性能,是这款轴承的两大亮点它的加工精度,确保了机械运转的稳定性 它的轴向游隙控制,精准到令人惊叹 ,八零动力SKF角接触球轴承品种全,价格优,质量有保证!

用户关注最多的SKF轴承型号

SKF11205ETN9 SKF21313EK+H313* SKF23120-2CS2/VT143* SKF24184ECAK30/W33* SKF2x7217BECBY SKF6022-2RS1* SKF618/7 SKF7008C SKF7210BECBM* SKFCR556x610x25.4HS7R SKFKMFE18L SKFNAO40x55x17 SKFNJG2344VH SKFNUP224ECJ* SKFSY1.15/16TF/AH

7030BGM角接触球轴承近似的SKF轴承型号

SKF2x7030BGM SKF7030AC/DF SKF7030C/DF SKF7030C SKF7030BGM SKF7030C/DB SKF7030AC SKF7030C/DT SKF7030AC/DB SKF7030AC/DT SKF7030CD/P4A SKF7032AC

用户关注最多的轴承狗热门型号

SKF  331905 SKF  89444M SKF  7216C INA  ABE.KWSE30-FE-NBR NTN  NF248 FAG  BND3136-Z-Y-AF-S TIMKEN  20TP103 FAG  HS71919-C-T-P4S SKF  PCM151715M SKF  HM89446/2/410/2/QCL7C NSK  7311B MRC  7314B/DF NTN  6313-2RZ FAG  S3072-H-N-FZ-BF-L + 230SM340-MA NSK  7213BWG

版权所有©2009-2015 轴承狗zcgou.com ICP备案:津ICP备14004550号-13