SKF6417轴承详细参数

发布时间:2026-04-14
深沟球轴承, 单列, 无密封件
主要数据尺寸 基本负荷额定值 疲劳负荷限值 额定速度 体积 型号
动态 静态 参照速度 限制速度
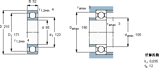
d D B C C0 Pu
mm kN kN r/min kg -
85210521741374,75700045009,506417

SKF6417深沟球轴承供应商

八零动力专业销售6417深沟球轴承,库存SKF6417大量现货,与SKF合作,咨询热线:022-58519723业务咨询
SKF6417它的尺寸精度,达到了微米级的极致 轴承的选材精良,确保了其具有良好的耐磨性和抗腐蚀性它的耐用性,赢得了无数用户的信赖 从制造工艺到实际性能,这款轴承都表现得十分出色,性能优越的轴承,极大地提高了设备的工作效率和稳定性它的耐高温性能,减少了冷却系统的能耗 ,八零动力SKF深沟球轴承品种全,价格优,质量有保证!

用户关注最多的SKF轴承型号

SKF619/1120MB SKF626-RSL* SKF7215B/DB SKF7218AC/DB SKFCR30X42X8HMSA10V SKFCR40X52X7HMSA10RG SKFCR51x80x9.53CRW1R SKFNJ219ECML* SKFNU2322ECP* SKFPF1.1/8FM SKFS7022ACD/P4A SKFSDAF22320 SKFSNL3272GL SKFSYE1.7/16H-18 SKFSYJ20TF

6417深沟球轴承近似的SKF轴承型号

SKF6417 SKF6416 SKF6418

用户关注最多的轴承狗热门型号

SKF  CR80X110X10HMSA10V TIMKEN  YA100RR LYC  QJ 224 KOYO  NJ2334 SKF  N311E TIMKEN  XUA32018X/Y32018X SKF  NNF5015ADA-2LSV DKF  7326AC SKF  NU2219E SNR  6224 LYC  511/670 X2 TIMKEN  170RF03 SKF  3213A-2RS1 TIMKEN  HH224340/HH224310 SKF  SAKAC5M

版权所有©2009-2015 轴承狗zcgou.com ICP备案:津ICP备14004550号-13