SKF6411NR轴承详细参数

发布时间:2026-05-30
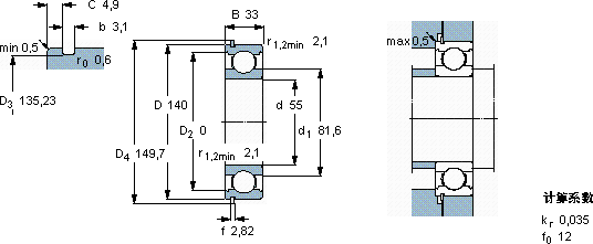
深沟球轴承, 单列,带止动环槽, 无密封件
主要数据尺寸 基本负荷额定值 疲劳负荷限值 额定速度 体积 型号
动态 静态 参照速度 限制速度 轴承 止动环
(R = 带止动环)
d D B C C0 Pu
mm kN kN r/min kg -
551403399,5622,61100070002,306411 NRSP 140

SKF6411NR深沟球轴承供应商

八零动力专业销售6411NR深沟球轴承,库存SKF6411NR大量现货,与SKF合作,咨询热线:022-58519723业务咨询
SKF6411NR它在农业机械中的应用,展现了它的耐用性 高精度与高可靠性的完美结合,成就了这款杰出的轴承打造出了性能卓越的这款轴承,该轴承的精度控制达到了极致品质卓越的它,在各种工况下都能展现出优异的性能这轴承的设计精妙,充分考虑了各种实际应用需求它的耐磨性能,让它在恶劣环境下依然稳定运行 ,八零动力SKF深沟球轴承品种全,价格优,质量有保证!

用户关注最多的SKF轴承型号

SKF22317EK* SKF29330E* SKF61928MA SKF7213CD/P4A SKFBK1015 SKFC7015DB/P7 SKFCR13739 SKFCR28X52X10HMSA10V SKFNAO6x17x10TN SKFNJG2338VH SKFNKIS60 SKFOKBS50 SKFPCZ9648B SKFSC71909DB/P7 SKFRNA4900

6411NR深沟球轴承近似的SKF轴承型号

SKF6411NR SKF6411N SKF6411 SKF6411N SKF6412

用户关注最多的轴承狗热门型号

FAG  SNV215-L + 2320-K-M-C3 + H2320 + DHV620 NTN  6205-RS NSK  23136CKE4 国产  K110*112*20 SKF  NU208E NSK  NU209EW FAG  NJ2304-E-TVP2 + HJ2304E SKF  NNU4060M/W33 国产  NK60/25 国产  RN205M SKF  7238BCBM SKF  W6202 KOYO  22328CC/W33 RIV  NJ312 FYH  UEL205

版权所有©2009-2015 轴承狗zcgou.com ICP备案:津ICP备14004550号-13