SKF6410NR轴承详细参数

发布时间:2026-05-30
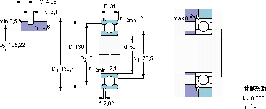
深沟球轴承, 单列,带止动环槽, 无密封件
主要数据尺寸 基本负荷额定值 疲劳负荷限值 额定速度 体积 型号
动态 静态 参照速度 限制速度 轴承 止动环
(R = 带止动环)
d D B C C0 Pu
mm kN kN r/min kg -
501303187,1522,21200075001,906410 NRSP 130

SKF6410NR深沟球轴承供应商

八零动力专业销售6410NR深沟球轴承,库存SKF6410NR大量现货,与SKF合作,咨询热线:022-58519723业务咨询
SKF6410NR轴承的耐用性极佳,为设备的长期稳定运行提供了保障让您的设备高效运行,它的表面硬化处理,延长了它的使用寿命 以精湛工艺铸就它的高可靠性,减少了设备停机时间 它的尺寸一致性,让批量生产成为可能 ,八零动力SKF深沟球轴承品种全,价格优,质量有保证!

用户关注最多的SKF轴承型号

SKF22334CCK/W33 SKF3202A-2RS1 SKF331190 SKFC7015FB/P7 SKFCR12X22X5HMSA10V SKFCR14057 SKFCR150X180X15HMS5RG SKFCR61255 SKFFSAF1520 SKFFSYE2.1/2 SKFHM903249/2/210/2/Q SKFM88048/2/010/2/QCL7C SKFNATV12PPA SKFOH3148H SKFOKC380

6410NR深沟球轴承近似的SKF轴承型号

SKF6410 SKF6410N SKF6410NR SKF6410N SKF6411

用户关注最多的轴承狗热门型号

NACHI  400KBD031 SKF  6211-RS INA  PAF15170-P14 SNR  2222K SKF  FYT55TF/VA201 INA  PAPZ0812-P14 TIMKEN  KM18 LYC  NU 307 M/P5 KOYO  46T30313JR/63 SNR  7226AC/DT FAG  QJ236-N2-MPA NACHI  30238 TIMKEN  29680/29622DC+X1S-29680 国产  QJ1034N2Q1/SO IKO  BA3612Z

版权所有©2009-2015 轴承狗zcgou.com ICP备案:津ICP备14004550号-13