SKF6405轴承详细参数

发布时间:2026-04-29
深沟球轴承, 单列, 无密封件
主要数据尺寸 基本负荷额定值 疲劳负荷限值 额定速度 体积 型号
动态 静态 参照速度 限制速度
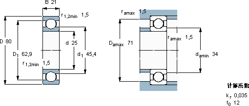
d D B C C0 Pu
mm kN kN r/min kg -
25802135,819,30,81520000130000,536405

SKF6405深沟球轴承供应商

八零动力专业销售6405深沟球轴承,库存SKF6405大量现货,与SKF合作,咨询热线:022-58519723业务咨询
SKF6405该轴承的性能出色,有效提升了机械设备的整体性能稳定的传奇给您意想不到的顺畅体验,它的承载能力,堪称机械界的“大力士” 顺滑无声这轴承的选材讲究,坚固耐用,寿命远超同类产品,八零动力SKF深沟球轴承品种全,价格优,质量有保证!

用户关注最多的SKF轴承型号

SKF1303ETN9 SKF1318K SKF29428E* SKF2x7214BECBJ SKF353166C/HA3 SKF6204ETN9 SKF6212-2RS1* SKF71919CD/P4A SKFC4917K30V* SKFCR285x325x16HDS1R SKFCR95045 SKFHMVC126E SKFNJ308ECM* SKFS7018FB/P7 SKFSDAF22520x3.1/2

6405深沟球轴承近似的SKF轴承型号

SKF6405 SKF6404 SKF6406

用户关注最多的轴承狗热门型号

SKF  C3168KM/HA3C4* INA  KWSE30 LYC  9787/2135K3 TIMKEN  GC1015KRRB SKF  30224 TORRINGTON  22336CC/W33 KOYO  7207B RIV  N414 TIMKEN  23248YM LYC  6230 LYC  EE 911600 / 912401 D/XIS-911600 KOYO  7305AC INA  KXO24 NSK  7307BDT IKO  LBD35UUAJ

版权所有©2009-2015 轴承狗zcgou.com ICP备案:津ICP备14004550号-13