SKF6348M轴承详细参数

发布时间:2026-04-15
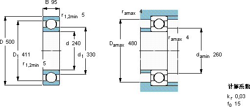
深沟球轴承, 单列, 无密封件
主要数据尺寸 基本负荷额定值 疲劳负荷限值 额定速度 体积 型号
动态 静态 参照速度 限制速度
d D B C C0 Pu
mm kN kN r/min kg -
2405009544258512,92600240092,56348 M

SKF6348M深沟球轴承供应商

八零动力专业销售6348M深沟球轴承,库存SKF6348M大量现货,与SKF合作,咨询热线:022-58519723业务咨询
SKF6348M它的高效率,让机械运转更加节能 它在包装机械中的应用,确保了设备的高效率 它的抗变形能力,让它在高负载下依然保持形状 它的质量过硬,为机械设备的高效、安全运行提供了保障它在冶金设备中的应用,确保了设备的高温性能 高精度的制造工艺,让这款轴承的性能更加出色,八零动力SKF深沟球轴承品种全,价格优,质量有保证!

用户关注最多的SKF轴承型号

SKF1322 SKF21314CC SKF22212EK+AHX312* SKF23276CACK/W33+H3276 SKF2x7206BECBP* SKF32956 SKF7200AC/DB SKFCR4913 SKFHE3126L SKFM84548/2/510/2/QVQ506 SKFNJ1064MA SKFPDPF2220 SKFPDRJ317 SKFSAL12E SKFSNW115x2.1/2

6348M深沟球轴承近似的SKF轴承型号

SKF6348M SKF6344M SKF635*

用户关注最多的轴承狗热门型号

KOYO  JHM522649/10 SKF  33109/Q SKF  NUP214ECP NTN  7302C/DT FLT  NU205 GMN  7211AC INA  GAKL6-PB TIMKEN  T119 SKF  51184F NTN  NU321 SKF  NNC4912CV FAG  2219-K-M-C3 FAG  BND3038-H-C-T-BF-S SKF  32968 IKO  CF10VBRM

版权所有©2009-2015 轴承狗zcgou.com ICP备案:津ICP备14004550号-13