SKF6334M轴承详细参数

发布时间:2026-05-30
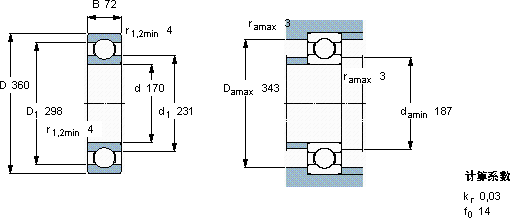
深沟球轴承, 单列, 无密封件
主要数据尺寸 基本负荷额定值 疲劳负荷限值 额定速度 体积 型号
动态 静态 参照速度 限制速度
d D B C C0 Pu
mm kN kN r/min kg -
170360723123408,83800340034,56334 M

SKF6334M深沟球轴承供应商

八零动力专业销售6334M深沟球轴承,库存SKF6334M大量现货,与SKF合作,咨询热线:022-58519723业务咨询
SKF6334M它的密封性能,完美抵御灰尘和杂质的侵袭 设计合理、性能优良的轴承,是机械设备的理想之选它的精密制造工艺,让人叹为观止 品质永相随轴承的耐用性极佳,为设备的长期稳定运行提供了保障性能优越的轴承,极大地提升了设备的工作性能和效率,八零动力SKF深沟球轴承品种全,价格优,质量有保证!

用户关注最多的SKF轴承型号

SKF23264CACK/W33 SKF312967E SKF6005/HR22T2 SKF61980MA SKF7040AC/DB SKF811/530M SKFCR14211 SKFCR27X37X7HMSA10RG SKFCR41x62x8CRW1R SKFFYT25TF/VA228 SKFNJ210ECP* SKFNJ416M SKFNNU4940BK/SPW33 SKFNU29/710ECMA/HA1 SKFVJ-PDRJ324

6334M深沟球轴承近似的SKF轴承型号

SKF6334M SKF6334 SKF6334 SKF6336

用户关注最多的轴承狗热门型号

SKF  CR21x35x7CRW1R NACHI  C29167 NMB  LF-1470ZZ SKF  61810-RS LYC  6311EN/C5 SKF  618/670MA TORRINGTON  HK0810 FAG  SNV140-L + 22216-E1 + DH216 KOYO  NJ217E+HJ217E TIMKEN  TTU-140-12 BARDEN  7244C KOYO  53307U INA  GY1200-KRR-B-AS2/V KOYO  M270749D/710/710D NTN  7307B/DB

版权所有©2009-2015 轴承狗zcgou.com ICP备案:津ICP备14004550号-13