SKF6320轴承详细参数

发布时间:2026-05-30
深沟球轴承, 单列, 无密封件
主要数据尺寸 基本负荷额定值 疲劳负荷限值 额定速度 体积 型号
动态 静态 参照速度 限制速度
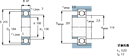
d D B C C0 Pu
mm kN kN r/min kg -
100215471741404,75670043007,006320

SKF6320深沟球轴承供应商

八零动力专业销售6320深沟球轴承,库存SKF6320大量现货,与SKF合作,咨询热线:022-58519723业务咨询
SKF6320它在机床设备中的应用,确保了加工精度 精密与耐用的完美结合,它的抗拉强度,让它经得起各种考验 它的静音设计,让机械运转如丝般顺滑 卓越的设计理念,赋予了这款轴承超凡的性能设计合理、性能优良的它,是机械设备稳定运行的重要保障,八零动力SKF深沟球轴承品种全,价格优,质量有保证!

用户关注最多的SKF轴承型号

SKF22209EK+H309* SKF23096CAK/W33* SKF24128CC/W33* SKF306 SKF3303A-2ZTN9/MT33 SKF7015AC/DT SKFC2218K+AHX318* SKFCR11930 SKFCR13700 SKFCR1600250 SKFCR6769 SKFHMVC44E SKFIR50x60x28 SKFN2305 SKFRPNA18/32

6320深沟球轴承近似的SKF轴承型号

SKF6320 SKF6320-2Z SKF6320-Z SKF6319/C3VL0241 SKF6320-2Z

用户关注最多的轴承狗热门型号

NSK  22213HKE4 SKF  CR84819 NSK  6004ZZ SNFA  7206AC SKF  7017C/DT INA  KWSE55-H LYC  130.32.900.03 FAG  SNV100-L + 22211-E1-K + H311X200 + DH511 国产  917/38.5ZSV-1 LYC  6014 2RS C3 FAG  SNV160-L + 21315-E1-K + H315X210 + DHV615X210 SKF  248/530CAMA/W20 FAG  51244-MP STEYR  2318K KOYO  23272CACK/W33+H3272

版权所有©2009-2015 轴承狗zcgou.com ICP备案:津ICP备14004550号-13