SKF6316/HC5C3轴承详细参数

发布时间:2026-04-14
深沟球轴承, 单列陶瓷混合轴承, 无密封件
主要数据尺寸 基本负荷额定值 疲劳负荷限值 额定速度 体积 型号
动态 静态 参照速度 限制速度
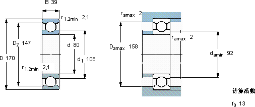
d D B C C0 Pu
mm kN kN r/min kg -
801703913086,53,251200063002,806316/HC5C3

SKF6316/HC5C3工程产品供应商

八零动力专业销售6316/HC5C3工程产品,库存SKF6316/HC5C3大量现货,与SKF合作,咨询热线:022-58519723业务咨询
SKF6316/HC5C3它的耐磨性能,让它在恶劣环境下依然稳定运行 其设计和制造工艺都达到了国际先进水平,是一款优质轴承这轴承的精度控制令人佩服,为设备的精准运行提供了保障转动精彩它的高可靠性,减少了设备停机时间 制造工艺精湛,使得这款轴承的精度、稳定性和耐用性都非常出色,八零动力SKF工程产品品种全,价格优,质量有保证!

用户关注最多的SKF轴承型号

SKF129 SKF1303 SKF16009/HR22T2 SKF2209ETN9 SKF32310BJ2/QCL7C SKF7230B/DF SKFCR12X30X7HMSA10RG SKFCR28X35X4HM4R SKFCR30X45X7HMS5RG SKFKR32B SKFNNCF4868CV SKFSALKB22F SKFSC71922FB/P7 SKFTU7/8TF SKFYET208-108

6316/HC5C3工程产品近似的SKF轴承型号

SKF6316/HC5C3 SKF6316/C3VL0241 SKF6316/C3VL0241 SKF6317*

用户关注最多的轴承狗热门型号

NSK  51318 FAG  22309-E1-K RHP  NF316 国产  62/28-2RS KOYO  22208RHRK+H308X FAG  230/670-B-MB TIMKEN  32010X/32010X FAG  SNV062-L + 2305-K-TVH-C3 + H2305X012 + DH605X012 LYC  24030 CA/C4W33 SKF  216-ZNR TIMKEN  LM67048/LM67010-BA NTN  7919DF MAC  NJ203 INA  NATV17 IKO  CRB10020

版权所有©2009-2015 轴承狗zcgou.com ICP备案:津ICP备14004550号-13