SKF6316*轴承详细参数

发布时间:2026-05-20
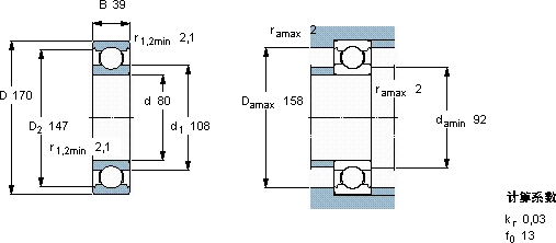
深沟球轴承, 单列, 无密封件
主要数据尺寸 基本负荷额定值 疲劳负荷限值 额定速度 体积 型号
动态 静态 参照速度 限制速度
d D B C C0 Pu * - SKF Explorer 轴承
mm kN kN r/min kg -
801703913086,53,25850053003,606316 *

SKF6316*深沟球轴承供应商

八零动力专业销售6316*深沟球轴承,库存SKF6316*大量现货,与SKF合作,咨询热线:022-58519723业务咨询
SKF6316*该轴承的性能优越,极大地提高了设备的工作效率它的微观表面处理,减少了摩擦和磨损 它在建筑机械中的应用,确保了设备的可靠性 它的沟槽设计,完美匹配滚动体的运动轨迹 卓越的性能和可靠的质量,让这款轴承成为市场的宠儿开启顺畅运行新时代,,八零动力SKF深沟球轴承品种全,价格优,质量有保证!

用户关注最多的SKF轴承型号

SKF47678/47620/Q SKF51130M SKF51152 SKF71919DB/P7 SKFCR150X200X15CRSH1R SKFCR20X40X7HMS5RG SKFFYT1.5/8WF SKFLM29749/711/QCL7CVA607 SKFN228E SKFNJ310ECPH* SKFNU1020ML SKFPNA30/52 SKFQJ308MA SKFSAF22228 SKFT4DB160

6316*深沟球轴承近似的SKF轴承型号

SKF6316* SKF6316-2Z/VA208 SKF6316-2Z* SKF6316-Z* SKF6316-2RS SKF6316-RS1* SKF6316-RS SKF6316-2RS1* SKF6315/VA201 SKF6316-2RS

用户关注最多的轴承狗热门型号

INA  CSEB020 RHP  7203B/DB 国产  NJ215 SKF  NNCF5004CV SKF  7206BECAP* SKF  SNW110x1.5/8 SKF  CR14977 SKF  71909FB/P7 TIMKEN  80176/80222 KOYO  22330RHAK+AHX2330 INA  NA4908-2RSR INA  81106-TV FAG  SNV160-L + 23218-E1-K-TVPB + H2318X304 + TCV518X30 TIMKEN  EE113089/113171D+X1S-113089 SKF  CR1200x1264x22.2HDS2D

版权所有©2009-2015 轴承狗zcgou.com ICP备案:津ICP备14004550号-13