SKF6315-RS1*轴承详细参数

发布时间:2026-04-15
深沟球轴承, 单列, 单面密封件
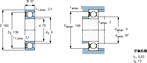
主要数据尺寸 基本负荷额定值 疲劳负荷限值 额定速度 体积 型号
动态 静态 参照速度 限制速度
d D B C C0 Pu * - SKF Explorer 轴承
mm kN kN r/min kg -
751603711976,53-28003,006315-RS1 *

SKF6315-RS1*深沟球轴承供应商

八零动力专业销售6315-RS1*深沟球轴承,库存SKF6315-RS1*大量现货,与SKF合作,咨询热线:022-58519723业务咨询
SKF6315-RS1*轴承的精度和稳定性都达到了行业顶尖水平品质卓越的它,为机械设备的稳定、高效运行提供了支持它的精密设计,展现了人类智慧的巅峰 它的低噪音设计,减少了对环境的噪音污染 它的尺寸精度,达到了微米级的极致 它在风力发电中的应用,为清洁能源贡献力量 ,八零动力SKF深沟球轴承品种全,价格优,质量有保证!

用户关注最多的SKF轴承型号

SKF240/670ECAK30/W33+AOH240/670G* SKF61938MA SKF71910CE/HCP4A SKF7322BECBM SKFC71911DB/P7 SKFCR17803 SKFCR20053 SKFHK2820 SKFKMK10 SKFNKI10/20 SKFNU314ECM* SKFOH3948H SKFPCM909560E SKFPCZ6460B SKFSNL516-613

6315-RS1*深沟球轴承近似的SKF轴承型号

SKF6315-2RS SKF6315N* SKF6315-2RS1* SKF6315-2Z/VA208 SKF6315-2Z* SKF6315/VA201 SKF6315-RS1* SKF6315NR* SKF6315* SKF6315-Z* SKF6315-RS SKF6315-Z*

用户关注最多的轴承狗热门型号

MRC  7238B/DT LYC  160/22 EX1 SKF  CR84x127x11CRWH1R DKF  7206AC LYC  GEG 63 ES TIMKEN  390/394A SKF  NU202ECPHA TIMKEN  687/672D FLT  NU424 NTN  NN3032 SKF  7309BEGBP* SKF  UE201 NACHI  6905NSE NSK  24164CAE4 IKO  AZK8015010

版权所有©2009-2015 轴承狗zcgou.com ICP备案:津ICP备14004550号-13