SKF6314/C3VL0241轴承详细参数

发布时间:2026-05-30
深沟球轴承, 单列,INSOCOAT
主要数据尺寸 基本负荷额定值 疲劳负荷限值 额定速度 体积 型号
动态 静态 参照速度 限制速度
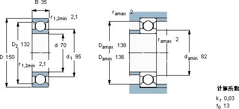
d D B C C0 Pu
mm kN kN r/min kg -
7015035111682,75950063002,506314/C3VL0241

SKF6314/C3VL0241工程产品供应商

八零动力专业销售6314/C3VL0241工程产品,库存SKF6314/C3VL0241大量现货,与SKF合作,咨询热线:022-58519723业务咨询
SKF6314/C3VL0241它在家用电器中的应用,让生活更加便捷 它在冶金设备中的应用,确保了设备的高温性能 优秀的设计理念和精湛的制造工艺,成就了这款优秀的轴承高品质的轴承,在各种复杂工况下都能展现出卓越的性能表现它在纺织机械中的应用,确保了设备的高速运转 坚固耐用,八零动力SKF工程产品品种全,价格优,质量有保证!

用户关注最多的SKF轴承型号

SKF22260CC/W33* SKF22319EK+AHX2319* SKF22336CCKJA/W33VA405* SKF241/670ECA/W33 SKF5216E SKF6303/HR22Q2 SKF7203C/DT SKFC71908DB/P7 SKFCR120X145X12CRW1R SKFCR17038 SKFCR60X85X10HMSA10V SKFHK1012.2RS SKFNU2216ECP SKFPCM160165100B SKFW61903-2RS1

6314/C3VL0241工程产品近似的SKF轴承型号

SKF6314/C3VL0241 SKF6314NR* SKF6314/VA201

用户关注最多的轴承狗热门型号

NACHI  23192EW33 LYC  23228 CA NTN  61916-2RS NTN  7301B/DT SKF  CR3675557 LYC  6306 ETN1 INA  GE100-AX TIMKEN  52387/52618 国产  N310 TIMKEN  52400/52637-B FAG  22309-E1-K + AH2309 SKF  29438 SKF  SYJ80TF LYC  6005 2RS C3 LYC  NNU 49/530 N/YA5

版权所有©2009-2015 轴承狗zcgou.com ICP备案:津ICP备14004550号-13