SKF6314-Z*轴承详细参数

发布时间:2026-04-14
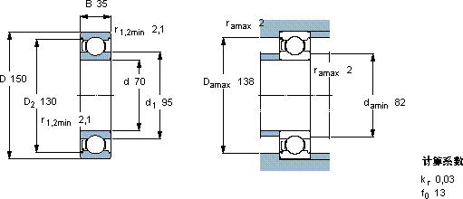
深沟球轴承, 单列, 单面防尘罩
主要数据尺寸 基本负荷额定值 疲劳负荷限值 额定速度 体积 型号
动态 静态 参照速度 限制速度
d D B C C0 Pu * - SKF Explorer 轴承
mm kN kN r/min kg -
7015035111682,75950063002,506314-Z *

SKF6314-Z*深沟球轴承供应商

八零动力专业销售6314-Z*深沟球轴承,库存SKF6314-Z*大量现货,与SKF合作,咨询热线:022-58519723业务咨询
SKF6314-Z*稳定旋转的核心力量它的质量可靠,是众多机械设备制造商的首选配件精湛的制造工艺赋予了这款轴承出色的性能和可靠性它的可回收性,体现了环保理念 它的精密设计,展现了人类智慧的巅峰 它的热处理工艺,增强了它的硬度和韧性 ,八零动力SKF深沟球轴承品种全,价格优,质量有保证!

用户关注最多的SKF轴承型号

SKF1202ETN9 SKF3209A-2Z/MT33* SKF32938T122/DBCG SKF7415BGAM SKFCR2100564 SKFCR25X35X6HMS5RG SKFCR38678 SKFCR84616 SKFNK10/16TN SKFN2334 SKFNAO30x45x17 SKFNUP210ECP* SKFP1.1/2WF SKFPDNB207 SKFSY25TF/VA201

6314-Z*深沟球轴承近似的SKF轴承型号

SKF6314-RS1* SKF6314-2ZNR* SKF6314/VA201 SKF6314-2Z* SKF6314* SKF6314-2Z/VA208 SKF6314-RS SKF6314-2RS SKF6314-ZNR* SKF6314NR* SKF6314-RS1* SKF6314-ZN

用户关注最多的轴承狗热门型号

DKF  7219AC/DB KOYO  6218-2Z NACHI  6024Z 国产  61812TN1 SKF  C6915V/VE240* SKF  51420M INA  KWVE20-B-N STEYR  31309 FAG  NJ317-E-TVP2 + HJ317E RHP  7236B/DF FAG  222SM180-MA SKF  239/1180CAKF/W33 TIMKEN  582/572D+X1S-580 KOYO  6309-RS TIMKEN  97500D/97900+Y3S-97900

版权所有©2009-2015 轴承狗zcgou.com ICP备案:津ICP备14004550号-13