SKF6310-2RS1*轴承详细参数

发布时间:2026-04-14
深沟球轴承, 单列, 两面密封件
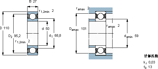
主要数据尺寸 基本负荷额定值 疲劳负荷限值 额定速度 体积 型号
动态 静态 参照速度 限制速度
d D B C C0 Pu * - SKF Explorer 轴承
mm kN kN r/min kg -
501102765381,6-43001,056310-2RS1 *

SKF6310-2RS1*深沟球轴承供应商

八零动力专业销售6310-2RS1*深沟球轴承,库存SKF6310-2RS1*大量现货,与SKF合作,咨询热线:022-58519723业务咨询
SKF6310-2RS1*它在汽车工业中的应用,让车辆运行更加平稳 轴承的稳定性和可靠性表现出色,赢得了用户的高度认可它的长寿命,减少了资源浪费 质量无可比拟的轴承,在行业内树立了良好的品质标杆它在家用电器中的应用,让生活更加便捷 为您的工程保驾护航,,八零动力SKF深沟球轴承品种全,价格优,质量有保证!

用户关注最多的SKF轴承型号

SKF2308K+H2308 SKF2x7322BEGBM SKF619/8-2Z SKF62301-2RS1 SKF6302-RSL* SKF7010CE/P4A SKF7311BECBY SKFC71908DB/P7 SKFCR41307 SKFCR40X56X8HMS5RG SKFCR67X90X13CRSH11R SKFHA2320x3.5/16 SKFNKIS30 SKFNKS22 SKFZ302

6310-2RS1*深沟球轴承近似的SKF轴承型号

SKF6310-ZNR* SKF6310NR* SKF6310-2ZNR* SKF6310-2Z/VA208 SKF6310-2RS SKF6310-2RS1/W64* SKF6310-RS SKF6310-RS1* SKF6310-2RS1* SKF6310* SKF6310-2RS SKF6310-2RS1/HC5C3WT

用户关注最多的轴承狗热门型号

MAC  NU1060 LYC  22228 CAK/W33 SKF  NK110/40 GMN  7030AC/DT NACHI  21304EK SKF  7014AC/DF SNR  7320C FAG  KL44643-L44610 INA  LTE20-Tr16x4-A TIMKEN  K32X46X32H LYC  D1797/736G2 TIMKEN  13169D/13318/Y2S-13318 KOYO  6306R TIMKEN  FSAF22515 SKF  71904CE/HCP4A

版权所有©2009-2015 轴承狗zcgou.com ICP备案:津ICP备14004550号-13