SKF6306ETN9轴承详细参数

发布时间:2026-05-30
深沟球轴承, 单列, 无密封件
主要数据尺寸 基本负荷额定值 疲劳负荷限值 额定速度 体积 型号
动态 静态 参照速度 限制速度
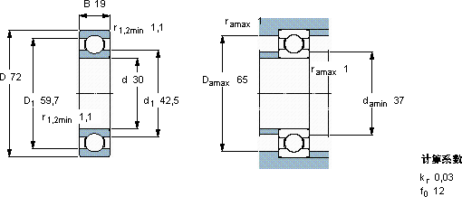
d D B C C0 Pu
mm kN kN r/min kg -
30721932,517,30,73522000140000,336306 ETN9

SKF6306ETN9深沟球轴承供应商

八零动力专业销售6306ETN9深沟球轴承,库存SKF6306ETN9大量现货,与SKF合作,咨询热线:022-58519723业务咨询
SKF6306ETN9高品质的轴承,在复杂工况下也能展现出卓越的性能从制造工艺到实际性能,这款轴承都表现得十分出色,这款轴承的运转平稳,几乎听不到任何噪音,令人惊艳它的微观表面处理,减少了摩擦和磨损 它的高可靠性,减少了设备停机时间 轴承的耐用性强,减少了设备的停机维护时间,八零动力SKF深沟球轴承品种全,价格优,质量有保证!

用户关注最多的SKF轴承型号

SKF3203ATN9 SKF3211A* SKF6413N SKFCR17921 SKFCR30x50x8CRW1V SKFCR36x65x8CRW1R SKFCR55x75x8CRW1V SKFCR99571 SKFFYRP5 SKFNJ2309E SKFNNCF5068CV SKFNUP2214ECP* SKFS7015DB/P7 SKFWS81292 SKFYHC207-104-2LS8W/VT357

6306ETN9深沟球轴承近似的SKF轴承型号

SKFW6306-2Z SKF6306* SKF6306-2R1 SKF6306-2ZN SKF6306-2Z/VA208 SKF6306-2ZNR* SKF6306N* SKF6306-2RZ* SKFW6306 SKFW6306-2RS1 SKF6306-ZNR* SKF6306N*

用户关注最多的轴承狗热门型号

TORRINGTON FAFNIR  6244 SKF  NJ2328E TIMKEN  HM266449/HM266410 DKF  7301B/DF MRC  7003C/DB FAG  NJ212-E-TVP2 SKF  NNF5030ADA-2LSV 国产  2200 NSK  23964CAE4 SKF  NA6911 INA  KLRU12X35X12-2Z SKF  CR65x100x8CRW1V 国产  NJ222 NSK  7218ADB SKF  NNU40/900KM/W33

版权所有©2009-2015 轴承狗zcgou.com ICP备案:津ICP备14004550号-13