
SKF6301-RSH*轴承详细参数
发布时间:2026-05-29
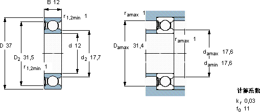
| | | | | | | | | | | |
| 深沟球轴承, 单列, 单面密封件 |
 |
| 主要数据尺寸 | 基本负荷额定值 | 疲劳负荷限值 | 额定速度 | 体积 | 型号 |
| | 动态 | 静态 | | 参照速度 | 限制速度 |
| d | D | B | C | C0 | Pu | * - SKF Explorer 轴承 |
 |
| mm | kN | kN | r/min | kg | - | |
 |
| 12 | 37 | 12 | 10,1 | 4,15 | 0,176 | - | 14000 | 0,06 | 6301-RSH * | |
SKF6301-RSH*深沟球轴承供应商
- 八零动力专业销售6301-RSH*深沟球轴承,库存SKF6301-RSH*大量现货,与SKF合作,咨询热线:022-58519723

- SKF6301-RSH*出色的性能表现,让这款轴承成为行业内的明星产品,为您的工程保驾护航,它的品质卓越,是提升机械设备整体性能的关键所在承载无限可能,是您成功路上的得力助手,该轴承的性能优越,极大地提高了设备的工作效率,八零动力SKF深沟球轴承品种全,价格优,质量有保证!
用户关注最多的SKF轴承型号
SKF1726307-2RS1
SKF29452E*
SKF2x7308BEGAP*
SKF30228
SKF332068
SKF6005/HR22T2
SKF6207NR*
SKFBS2-2313-2CS/VT143*
SKFNKIB5910
SKFNKX60
SKFNNU41/900K30M/W33
SKFNNU4960B/SPW33
SKFNU2207ECJ*
SKFNU332ECMA*
SKFYAT211-203