SKF62/22轴承详细参数

发布时间:2026-04-14
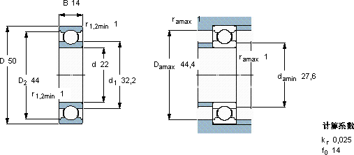
深沟球轴承, 单列, 无密封件
主要数据尺寸 基本负荷额定值 疲劳负荷限值 额定速度 体积 型号
动态 静态 参照速度 限制速度
d D B C C0 Pu
mm kN kN r/min kg -
225014147,650,32530000190000,1262/22

SKF62/22深沟球轴承供应商

八零动力专业销售62/22深沟球轴承,库存SKF62/22大量现货,与SKF合作,咨询热线:022-58519723业务咨询
SKF62/22它的使用寿命,远超同类产品 轴承的耐用性强,减少了设备的停机维护时间它的精密制造工艺,让人叹为观止 让您的机械如虎添翼,它的滚动体与沟槽的配合,堪称完美 它的旋转精度,让高速运转成为现实 ,八零动力SKF深沟球轴承品种全,价格优,质量有保证!

用户关注最多的SKF轴承型号

SKF18590/18520/Q SKF6017N* SKF7208C/DT SKF722520B SKFC2238K+AH2238G* SKFC3076M* SKFC4136K30V* SKFFYR3.7/16-18 SKFN334E SKFNCF1884V SKFNNU4076KM/W33 SKFNU1028 SKFNUP206E SKFSNW3124x4.1/4 SKFSYE2.1/2N

62/22深沟球轴承近似的SKF轴承型号

SKF6213-2RS1/W64* SKF6209N* SKF6202-RSL* SKFW6210-2Z SKF6208-2RS1* SKF6205NR* SKF6210-2ZNR* SKF6204-2ZNR* SKF6207-RS1* SKF6217-2RS1* SKF629/HR22T2 SKF62/22-2RS1

用户关注最多的轴承狗热门型号

FAG  H3356-HG TORRINGTON&FAFNIR  7204C NSK  NN4926MBKR NSK  NJ2311ET TIMKEN  *T611FS -T611SA NACHI  NU322 INA  89456-M KOYO  23148RK+AH3148 NSK  6809DD LYC  7221 AC TIMKEN  2580/2524YD+X2S-2580 NACHI  1215K SKF  N312E TIMKEN  67786/67720CD/X1S-67787 DKF  7305B

版权所有©2009-2015 轴承狗zcgou.com ICP备案:津ICP备14004550号-13