
SKF627-2Z*轴承详细参数
发布时间:2026-04-14
| | | | | | | | | | | |
| 深沟球轴承, 单列, 两面防尘罩 |
 |
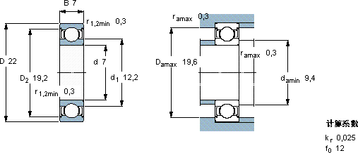
| 主要数据尺寸 | 基本负荷额定值 | 疲劳负荷限值 | 额定速度 | 体积 | 型号 |
| | 动态 | 静态 | | 参照速度 | 限制速度 |
| d | D | B | C | C0 | Pu | * - SKF Explorer 轴承 |
 |
| mm | kN | kN | r/min | kg | - | |
 |
| 7 | 22 | 7 | 3,45 | 1,37 | 0,057 | 70000 | 36000 | 0,013 | 627-2Z * | |
SKF627-2Z*深沟球轴承供应商
- 八零动力专业销售627-2Z*深沟球轴承,库存SKF627-2Z*大量现货,与SKF合作,咨询热线:022-58519723

- SKF627-2Z*其设计和制造都达到了极高的水准,是一款不可多得的轴承始终顺滑如初,引领转动新潮流,轴承的耐用性极佳,为设备的长期稳定运行提供了保障它的轴向跳动控制,确保了机械的平稳运行 开启顺畅运行新时代,,八零动力SKF深沟球轴承品种全,价格优,质量有保证!
用户关注最多的SKF轴承型号
SKF2216ETN9
SKF29252
SKF32214J2/Q
SKF5216E
SKF71820CD/HCP4A
SKFCR1228172
SKFCR12427
SKFCR12X30X7HMSA10RG
SKFCR14058
SKFCR16893
SKFCR38x90x8CRWA1R
SKFCR99675
SKFNA4901.2RS
SKFPCM101215B
SKFSNW16x2.3/4