SKF62301-2RS1轴承详细参数

发布时间:2026-05-29
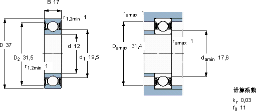
深沟球轴承, 单列, 两面密封件
主要数据尺寸 基本负荷额定值 疲劳负荷限值 额定速度 体积 型号
动态 静态 参照速度 限制速度
d D B C C0 Pu
mm kN kN r/min kg -
1237179,754,150,176-140000,0762301-2RS1

SKF62301-2RS1深沟球轴承供应商

八零动力专业销售62301-2RS1深沟球轴承,库存SKF62301-2RS1大量现货,与SKF合作,咨询热线:022-58519723业务咨询
SKF62301-2RS1这轴承的选材讲究,坚固耐用,寿命远超同类产品它的质量可靠,是众多机械设备制造商的首选配件它的设计巧妙,在保证性能的同时,还兼顾了安装的便捷性设计独特、性能优越的轴承,满足了不同用户的需求品质卓越的它,为机械设备的稳定、高效运行提供了支持这款轴承的运转十分平稳,几乎感受不到任何震动,八零动力SKF深沟球轴承品种全,价格优,质量有保证!

用户关注最多的SKF轴承型号

SKF309-ZNR SKF6200-RSL* SKF64432/64708 SKF71916C/DT SKF7217C/DB SKFC4120V/VE240* SKFCR1750230 SKFCR2050557 SKFNJ238E+HJ238E SKFNJ309ECML* SKFNN3017TN9/SP SKFNU230ECM SKFNX7TN SKFSC7011DB/P7 SKFSNL3084F

62301-2RS1深沟球轴承近似的SKF轴承型号

SKF62301-2RS1 SKF62300-2RS10 SKF62302-2RS1

用户关注最多的轴承狗热门型号

INA  RAE15-NPP-B INA  GIKR18-PW 国产  NN4968K RIV  N2220 KOYO  22309RHR LYC  7020 ACTA/P4TBTB MRC  6310 FAG  SNV110-L + 22310-E1-K + H2310 + TCV610 SKF  PDRJ317 LYC  NJ 19/670 NACHI  7315B TIMKEN  98400/98789D+X2S-98400 NTN  7032AC TIMKEN  KM22 FAG  SNV160-L + 20315-MB + DHV315

版权所有©2009-2015 轴承狗zcgou.com ICP备案:津ICP备14004550号-13