SKF6224轴承详细参数

发布时间:2026-05-30
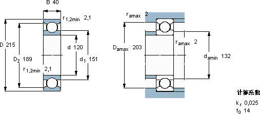
深沟球轴承, 单列, 无密封件
主要数据尺寸 基本负荷额定值 疲劳负荷限值 额定速度 体积 型号
动态 静态 参照速度 限制速度
d D B C C0 Pu
mm kN kN r/min kg -
120215401461183,9630040005,156224

SKF6224深沟球轴承供应商

八零动力专业销售6224深沟球轴承,库存SKF6224大量现货,与SKF合作,咨询热线:022-58519723业务咨询
SKF6224它在医疗设备中的应用,确保了设备的稳定性 它在汽车工业中的应用,让车辆运行更加平稳 它的故障率极低,确保了设备的稳定运行 它机械世界的心脏,默默支撑着无数设备的运转 就是选择高效与可靠它的密封性能,减少了润滑剂的泄漏 ,八零动力SKF深沟球轴承品种全,价格优,质量有保证!

用户关注最多的SKF轴承型号

SKF21317CCK+H317 SKF31309J2/Q SKF32213J2/Q SKF7008ACE/P4A SKF81252M SKFCR23152 SKFCR23640 SKFNJ228ECJ* SKFNNCF5012CV SKFNNTR100x240x105.2ZL SKFNU2026ECMA SKFP30WF SKFPF1.15/16FM SKFS7017CD/P4A SKFSNP3056x10

6224深沟球轴承近似的SKF轴承型号

SKF6224 SKF6224-2Z SKF6224-Z SKF6224-RS SKF6222/C3VL0241 SKF6224-2Z

用户关注最多的轴承狗热门型号

国产  351068 LYC  N 2876/P63S0YA TIMKEN  48282/48220D SKF  BT4B332786/HA4 TIMKEN  110FSH180-TT SKF  OKC710 FAG  22208-E1-K + H308 NSK  53330XMU MRC  7338B/DB FAG  B7221-C-T-P4S NTN  3217 KOYO  6024-2RZ FAG  SNV140-L + 22216-E1-K + H316X211 + TCV516X211 FAG  BND3028-H-W-T-BF-S IKO  GE240ES-2RS

版权所有©2009-2015 轴承狗zcgou.com ICP备案:津ICP备14004550号-13