SKF6220-RS1*轴承详细参数

发布时间:2026-04-14
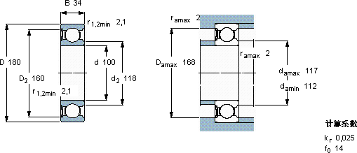
深沟球轴承, 单列, 单面密封件
主要数据尺寸 基本负荷额定值 疲劳负荷限值 额定速度 体积 型号
动态 静态 参照速度 限制速度
d D B C C0 Pu * - SKF Explorer 轴承
mm kN kN r/min kg -
10018034127933,35-24003,156220-RS1 *

SKF6220-RS1*深沟球轴承供应商

八零动力专业销售6220-RS1*深沟球轴承,库存SKF6220-RS1*大量现货,与SKF合作,咨询热线:022-58519723业务咨询
SKF6220-RS1*轴承的稳定性和可靠性都十分出色,赢得了用户的信赖优秀的设计让这款轴承在运行时更加高效节能它在纺织机械中的应用,确保了设备的高速运转 它的精密装配,确保了整体性能的卓越 是您设备高效运转的可靠伙伴,是您成功路上的得力助手,,八零动力SKF深沟球轴承品种全,价格优,质量有保证!

用户关注最多的SKF轴承型号

SKF239/850CAK/W33* SKF3309DNRCBM SKF6407NR SKF7214ACD/P4A SKFCR30X55X7HMS5V SKFCR45X72X8HMS5V SKFCR99238 SKFGE60TXE-2LS SKFIR55x65x28 SKFK65x70x30 SKFNKIS15 SKFNU2215ECP SKFQJ205MA SKFSDAF22320 SKFWS81222

6220-RS1*深沟球轴承近似的SKF轴承型号

SKF6220-2RS1* SKF6220-2RS SKF6220-2Z/VA228 SKF6220-RS1* SKF6220NR* SKF62203-2RS1 SKF62207-2RS1 SKF6220-2Z/VA208 SKF6220N* SKF6220* SKF6219-RS SKF6220-Z*

用户关注最多的轴承狗热门型号

SNR  7338AC/DT 国产  7316BTN1 国产  2309 ASK  NU1048 MAC  NUP228 NSK  UCP218D1 NSK  7205ADT SKF  6201-RSL* EASE  LB6090125 SKF  464777 FAG  NJ312-E-TVP2 + HJ312E FAG  SNV190-L + 2318-K-M-C3 + H2318X302 + TSV518X302 STEYR  30304 NACHI  SN228C KOYO  46215

版权所有©2009-2015 轴承狗zcgou.com ICP备案:津ICP备14004550号-13