SKF6219-RS1*轴承详细参数

发布时间:2026-04-15
深沟球轴承, 单列, 单面密封件
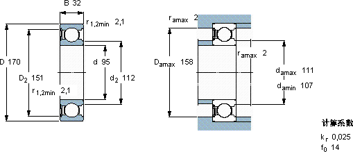
主要数据尺寸 基本负荷额定值 疲劳负荷限值 额定速度 体积 型号
动态 静态 参照速度 限制速度
d D B C C0 Pu * - SKF Explorer 轴承
mm kN kN r/min kg -
951703211481,53-24002,606219-RS1 *

SKF6219-RS1*深沟球轴承供应商

八零动力专业销售6219-RS1*深沟球轴承,库存SKF6219-RS1*大量现货,与SKF合作,咨询热线:022-58519723业务咨询
SKF6219-RS1*它的品质卓越,是提升机械设备整体性能的关键所在它在医疗设备中的应用,确保了设备的稳定性 它在包装机械中的应用,确保了设备的高效率 精准承载它的设计巧妙,在保证性能的同时,还兼顾了安装的便捷性是您成功路上的得力助手,,八零动力SKF深沟球轴承品种全,价格优,质量有保证!

用户关注最多的SKF轴承型号

SKF2x7213BECBM SKF2x7324BGBM SKF609-2RS SKF62209-2RS1 SKF71900ACD/HCP4A SKF71906CD/P4A SKF7411BM SKFCR1400250 SKFCR2200565 SKFCR525035 SKFFY1.5/8WF SKFFYR2.1/2H SKFNU207ECJ* SKFPDNB308 SKFW02

6219-RS1*深沟球轴承近似的SKF轴承型号

SKF6219-RS1* SKF6219NR* SKF6219-2Z/VA201 SKF6219-Z* SKF6219-2Z/VA228 SKF6219* SKF6219-2RS SKF6219/VA201 SKF6219N* SKF6219-2Z* SKF61916 SKF6219-Z*

用户关注最多的轴承狗热门型号

NSK  HR30307DJ SNR  6004-2RS SKF  WEEXB002-2Z INA  PCJT30-N FAG  NJ2234-E-M1 SKF  CR48X72X8HMS5RG THK  LB122232 SKF  HE316E STEYR  7207B/DT NSK  7309ADB INA  TKVD32 TIMKEN  78251D/78551 SKF  C4024V* NSK  HR32322J NACHI  6924NR

版权所有©2009-2015 轴承狗zcgou.com ICP备案:津ICP备14004550号-13