SKF6216/C3VL0241轴承详细参数

发布时间:2026-04-14
深沟球轴承, 单列,INSOCOAT
主要数据尺寸 基本负荷额定值 疲劳负荷限值 额定速度 体积 型号
动态 静态 参照速度 限制速度
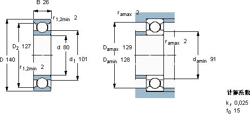
d D B C C0 Pu
mm kN kN r/min kg -
801402672,8552,2950060001,406216/C3VL0241

SKF6216/C3VL0241工程产品供应商

八零动力专业销售6216/C3VL0241工程产品,库存SKF6216/C3VL0241大量现货,与SKF合作,咨询热线:022-58519723业务咨询
SKF6216/C3VL0241轴承的耐用性出色,能够长时间保持良好的工作状态它虽小,却是工业革命的基石 先进的制造技术,让这款轴承的质量达到了行业领先水平品质卓越的它,在各种工况下都能展现出优异的性能轴承的精度和稳定性都达到了行业顶尖水平它的稳定性,让它在各种环境下都能可靠工作 ,八零动力SKF工程产品品种全,价格优,质量有保证!

用户关注最多的SKF轴承型号

SKF2209K SKF230/1250CAF/W33 SKF22336CCK/W33* SKF6220N* SKFC3134K+H3134L* SKFCR31139 SKFCR42x65x8CRW1R SKFFYT1.3/8FM SKFNCF28/500V SKFNK18/20 SKFOH3972HE SKFOKCX180 SKFOKCX780 SKFSILA40TXE-2LS SKFSYH2.7/16WF

6216/C3VL0241工程产品近似的SKF轴承型号

SKF6216/C3VL0241 SKF6216NR* SKF6217*

用户关注最多的轴承狗热门型号

SKF  HA309 NSK  45BER19X SKF  511/1180F SKF  7315BECBY SKF  FSYE2.1/2NH NACHI  23228EX1W33K FLT  NUP2205 ZKL  NJ321 SKF  W6305-2Z SKF  CR529130 国产  32009 国产  RNA6/27 NTN  239/1060 TIMKEN  18685/18620 SKF  51107V/HR11Q1

版权所有©2009-2015 轴承狗zcgou.com ICP备案:津ICP备14004550号-13