SKF6213-2RS1*轴承详细参数

发布时间:2026-05-30
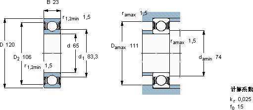
深沟球轴承, 单列, 两面密封件
主要数据尺寸 基本负荷额定值 疲劳负荷限值 额定速度 体积 型号
动态 静态 参照速度 限制速度
d D B C C0 Pu * - SKF Explorer 轴承
mm kN kN r/min kg -
651202358,540,51,73-36000,996213-2RS1 *

SKF6213-2RS1*深沟球轴承供应商

八零动力专业销售6213-2RS1*深沟球轴承,库存SKF6213-2RS1*大量现货,与SKF合作,咨询热线:022-58519723业务咨询
SKF6213-2RS1*它的沟槽设计,完美匹配滚动体的运动轨迹 始终顺滑如初,铸就卓越品质,它在化工设备中的应用,展现了它的耐腐蚀性 轴承的耐用性超乎想象,有效降低了设备的维护成本它的润滑技术,减少了润滑剂的使用 ,八零动力SKF深沟球轴承品种全,价格优,质量有保证!

用户关注最多的SKF轴承型号

SKF240/530ECA/W33* SKF3201A-2RS1TN9/MT33 SKF32217J2/QDF SKF51204 SKF7232B/DT SKFAHX319 SKFBTM60B/P4CDBB SKFCR1530x1580x20HDS1R SKFK35x40x27TN SKFN1014KTNHA/SP SKFNCF1848V SKFNJ348MA SKFNJ417M SKFNN3038K/SPW33 SKFPCZ2416B

6213-2RS1*深沟球轴承近似的SKF轴承型号

SKF6213NR* SKF6213-Z* SKF6213-2RS1/W64* SKF6213/W64* SKF6213-2RS1* SKF6213-ZNR* SKF6213-2ZN SKF6213* SKF6213-RS1* SKF6213-2ZNR* SKF6213-2RS SKF6213-2RS1/HC5C3WT

用户关注最多的轴承狗热门型号

TIMKEN  GYA106RRB SKF  IR17x24x20 SKF  23224-2CS5K/VT143* NSK  NUP2315W SKF  7316BEM SKF  NU2217ECM* TORRINGTON  22356CACK/W33 NSK  23034CDKE4 LYC  22310 CA LYC  51220 TORRINGTON  UEL207 SKF  TU25TF SKF  PCM9510060M INA  PAP90100-P11 IKO  BAM148

版权所有©2009-2015 轴承狗zcgou.com ICP备案:津ICP备14004550号-13