SKF6211/VA201轴承详细参数

发布时间:2026-05-29
深沟球轴承, 用于高温的深沟球轴承, 无密封件
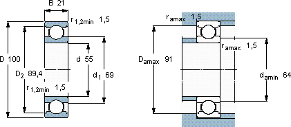
主要数据尺寸 基本负荷额定值 径向内部游隙 体积 型号
静态
d D B C0 最小 最大
mm kN μm kg -
5510021292203600,616211/VA201

SKF6211/VA201深沟球轴承供应商

八零动力专业销售6211/VA201深沟球轴承,库存SKF6211/VA201大量现货,与SKF合作,咨询热线:022-58519723业务咨询
SKF6211/VA201这轴承的制造工艺精湛,展现出了极高的工业水准它的轴向跳动控制,确保了机械的平稳运行 为您创造更多可能,这轴承的稳定性极佳,即使在恶劣环境下也能正常工作这款轴承的精度极高,能够满足对精度要求苛刻的设备优秀的设计理念和精湛的制造工艺,成就了这款优秀的轴承,八零动力SKF深沟球轴承品种全,价格优,质量有保证!

用户关注最多的SKF轴承型号

SKF239/800CAK/W33* SKF24164CCK30/W33+AOH24164* SKF51111 SKF51140M SKF71907ACD/P4A SKFBTM130B/HCP4CDBA SKFCR87379 SKFH2311 SKFH310E SKFNA4913 SKFNATR12PPA SKFNNC4848CV SKFNNC4940CV SKFPCM9510030M SKFSY2.15/16RM

6211/VA201深沟球轴承近似的SKF轴承型号

SKF6211-Z* SKF6211/VA201 SKF6211-ZN SKF6211-ZNR* SKF6211-2ZNR* SKF6211-2Z/VA201 SKF6211-2Z/VA208 SKF6211-2RS SKF6211-RS SKF6211N* SKF6211/HR22T2 SKF6212*

用户关注最多的轴承狗热门型号

国产  FC6492340 SKF  C2208KTN9+H308E* LYC  16004/P5 TIMKEN  140RT30 FAG  HCB71900-C-2RSD-T-P4S MAC  NJ2320 LYC  22138 INA  ADB27 LYC  NJ 2315/P44 NTN  234713B INA  GS81107 SNR  32316 SKF  CR390x430x20HDS2D LYC  32214/P6 IKO  CF10VBR

版权所有©2009-2015 轴承狗zcgou.com ICP备案:津ICP备14004550号-13