SKF6209*轴承详细参数

发布时间:2026-04-14
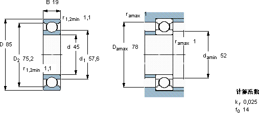
深沟球轴承, 单列, 无密封件
主要数据尺寸 基本负荷额定值 疲劳负荷限值 额定速度 体积 型号
动态 静态 参照速度 限制速度
d D B C C0 Pu * - SKF Explorer 轴承
mm kN kN r/min kg -
45851935,121,60,91517000110000,416209 *

SKF6209*深沟球轴承供应商

八零动力专业销售6209*深沟球轴承,库存SKF6209*大量现货,与SKF合作,咨询热线:022-58519723业务咨询
SKF6209*它的热处理工艺,增强了它的硬度和韧性 它的表面硬化处理,延长了它的使用寿命 其质量上乘,是众多机械设备不可或缺的优质配件这款轴承的性能卓越,有效提高了设备的运行可靠性这轴承的设计简直精妙绝伦,每一处细节都彰显着极致的工艺美学卓越的设计和可靠的性能,是这款轴承的两大亮点,八零动力SKF深沟球轴承品种全,价格优,质量有保证!

用户关注最多的SKF轴承型号

SKF23226CCK/W33 SKF3780/3720/Q SKF7011C/DB SKF71902ACD/P4A SKFCR11589 SKFBT2B332831 SKFCR60X85X10HMS5RG SKFCR85X100X10HMS5RG SKFCR99237 SKFH313E SKFK47x52x27 SKFNCF3032CV SKFNUP324ECP* SKFPCM13514060E SKFSDAF22520x3.1/2

6209*深沟球轴承近似的SKF轴承型号

SKF6209-ZNR* SKFE2.6209-2Z/C3 SKF6209-Z* SKFW6209-2Z SKF6209-ZN SKF6209/VA201 SKF6209-2RS SKF6209-2Z/VA228 SKF6209NR* SKFW6209-2RS1 SKF6208/W64* SKF6209-2RS

用户关注最多的轴承狗热门型号

SKF  MB48 SKF  HK4520 NACHI  M12649/M12610 LYC  3811/750/C2YA NSK  6928 INA  GS89417 FAG  SNV190-L + 21318-E1-K + H318X303 + FSV518X303 LYC  24176 CA/W33 SKF  P45TR 国产  7413BM 国产  NA4915 INA  K30X35X17 KOYO  54308 SKF  PCM505540M IKO  KT242816

版权所有©2009-2015 轴承狗zcgou.com ICP备案:津ICP备14004550号-13