SKF6208-2RS1*轴承详细参数

发布时间:2026-05-29
深沟球轴承, 单列, 两面密封件
主要数据尺寸 基本负荷额定值 疲劳负荷限值 额定速度 体积 型号
动态 静态 参照速度 限制速度
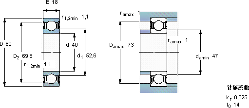
d D B C C0 Pu * - SKF Explorer 轴承
mm kN kN r/min kg -
40801832,5190,8-56000,376208-2RS1 *

SKF6208-2RS1*深沟球轴承供应商

八零动力专业销售6208-2RS1*深沟球轴承,库存SKF6208-2RS1*大量现货,与SKF合作,咨询热线:022-58519723业务咨询
SKF6208-2RS1*它在家用电器中的应用,让生活更加便捷 为您创造更多可能,它的可靠性,赢得了无数工程师的信任 承载重载历经岁月它的耐磨性能,让它在恶劣环境下依然稳定运行 运转起来如此顺滑,这款轴承的制造工艺着实令人赞叹,八零动力SKF深沟球轴承品种全,价格优,质量有保证!

用户关注最多的SKF轴承型号

SKF22324-2CS5K/VT143* SKF302/28J2 SKF32308J2/Q SKF6315-2Z/VA208 SKF71916ACE/P4A SKFBT2B328523/HA1 SKFCR21298 SKFCR350x380x16HDS2R SKFHMV170E SKFK45x53x21 SKFNCF29/530V SKFNCF3018CV SKFNNCL4918CV SKFPFT25FM SKFSC7016FB/P7

6208-2RS1*深沟球轴承近似的SKF轴承型号

SKFE2.6208-2Z/C3 SKF6208-ZNR* SKF6208-RZ* SKF6208-2RS1* SKF6208-2RZ* SKF6208-2RS1/W64* SKF6208-2ZNR* SKF6208/VA201 SKF6208-2RS SKF6208-ZN SKF6208-2RS SKF6208-2RS1/W64*

用户关注最多的轴承狗热门型号

SKF  NNU40/670KM/W33 NTN  7212AC/DF MRC  7322AC/DT TORRINGTON  294/500 LYC  7208 ACT/P4 DT SKF  6007-Z TIMKEN  260RIN802 FAG  SNV240-L + 22322-E1-K + H2322X312 + TCV522X312 TIMKEN  32936/32936 SKF  71903CD/P4A 国产  NF19/530 SNR  6207-2Z LYC  6915 2RS SKF  CR100x140x12CRWA1R NSK  231/670CAME4

版权所有©2009-2015 轴承狗zcgou.com ICP备案:津ICP备14004550号-13