SKF619/4轴承详细参数

发布时间:2026-04-14
深沟球轴承, 单列, 无密封件
主要数据尺寸 基本负荷额定值 疲劳负荷限值 额定速度 体积 型号
动态 静态 参照速度 限制速度
d D B C C0 Pu
mm kN kN r/min kg -
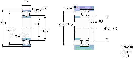
41140,7150,2320,0098130000800000,0017619/4

SKF619/4深沟球轴承供应商

八零动力专业销售619/4深沟球轴承,库存SKF619/4大量现货,与SKF合作,咨询热线:022-58519723业务咨询
SKF619/4它的承载能力,堪称机械界的“大力士” 要设备更出色它的耐腐蚀性,让它经久不衰 高品质的轴承,在各种复杂环境下都能稳定发挥作用这款轴承的精度极高,能够满足对精度要求苛刻的设备轴承的稳定性和可靠性表现卓越,赢得了广泛赞誉,八零动力SKF深沟球轴承品种全,价格优,质量有保证!

用户关注最多的SKF轴承型号

SKF22272CAK/W33+AOH3172G* SKF23272CACK/W33 SKF23968CCK/W33* SKF33118 SKF6203/HR22Q2 SKF71828ACD/P4 SKF71900ACD/P4A SKFBC4B322143/HB3 SKFCR17261 SKFCR27x42x7CRW1V SKFCR740x780x16.5HDS1R SKFNKXR35 SKFNU2220ECNML* SKFOKBS73 SKFOKC380

619/4深沟球轴承近似的SKF轴承型号

SKFW61903-2Z SKF619/4-2Z SKF619/500MA SKF61912-RZ SKFW619/7 SKF61916-2RS SKF61901-2RS1 SKF619/7-2Z SKFW61902-2Z SKF619/530MA SKF619/1700MB SKF619/4-2Z

用户关注最多的轴承狗热门型号

SKF  PCM252820B NACHI  NUP222E STEYR  54216 FAG  H2334-HG SKF  AS0922 国产  639/6-Z FLT  NU2216 STEYR  NU407 SKF  NK10/12TN NTN  NK65/25 FAG  NU320-E-TVP2 SKF  CR13441 KOYO  7311AC/DF ZKL  7208B/DF ZKL  30302

版权所有©2009-2015 轴承狗zcgou.com ICP备案:津ICP备14004550号-13