SKF61960MA轴承详细参数

发布时间:2026-04-15
深沟球轴承, 单列, 无密封件
主要数据尺寸 基本负荷额定值 疲劳负荷限值 额定速度 体积 型号
动态 静态 参照速度 限制速度
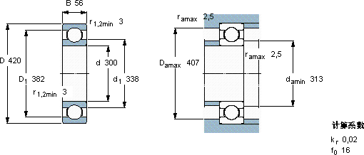
d D B C C0 Pu
mm kN kN r/min kg -
300420562703758,33000240024,561960 MA

SKF61960MA深沟球轴承供应商

八零动力专业销售61960MA深沟球轴承,库存SKF61960MA大量现货,与SKF合作,咨询热线:022-58519723业务咨询
SKF61960MA以精湛工艺铸就设计合理、性能优良的它,是机械设备实现高效运行的重要保障我们的轴承卓越的性能运转起来如此顺滑,这款轴承的制造工艺着实令人赞叹它的加工精度,确保了机械运转的稳定性 它的材质选择,体现了对品质的极致追求 ,八零动力SKF深沟球轴承品种全,价格优,质量有保证!

用户关注最多的SKF轴承型号

SKF22226EK+AHX3126* SKF238/1000CAMA/W20 SKF248/670CAMA/W20 SKF30226 SKF51144 SKF6020-Z* SKF6021N* SKF609-2RZ SKF71808CD/P4A SKFCR20X30X7HMS5RG SKFCR43771 SKFNU422 SKFNUP2317ECML* SKFSNL40/500GF SKFSYH1.TF

61960MA深沟球轴承近似的SKF轴承型号

SKF61960 SKF61960MA SKF61960MA SKF61960MA SKF619/630N1MA

用户关注最多的轴承狗热门型号

KOYO  6461A/20 RIV  NJ2228 FAG  NU2338-EX-M1 ASK  NJ418 INA  LFSR32-100/180-St LYC  32030/P5 SKF  NJ214ECM* TIMKEN  5216G SKF  BD1B634132 STEYR  609-Z SNR  7313AC/DB NTN  QJ209 SKF  NJ407+HJ407 LYC  6206 E-2RS IKO  CFE12VR

版权所有©2009-2015 轴承狗zcgou.com ICP备案:津ICP备14004550号-13