SKF61956MA轴承详细参数

发布时间:2026-04-14
深沟球轴承, 单列, 无密封件
主要数据尺寸 基本负荷额定值 疲劳负荷限值 额定速度 体积 型号
动态 静态 参照速度 限制速度
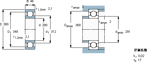
d D B C C0 Pu
mm kN kN r/min kg -
280380462162856,73200280015,061956 MA

SKF61956MA深沟球轴承供应商

八零动力专业销售61956MA深沟球轴承,库存SKF61956MA大量现货,与SKF合作,咨询热线:022-58519723业务咨询
SKF61956MA它的尺寸精度,达到了微米级的极致 它的润滑技术,让摩擦降至最低 它的加工精度,确保了机械运转的稳定性 这轴承的精度控制令人佩服,为设备的精准运行提供了保障设计合理、性能优良的轴承,是机械设备的理想之选它的制造工艺,堪称工业艺术的典范 ,八零动力SKF深沟球轴承品种全,价格优,质量有保证!

用户关注最多的SKF轴承型号

SKF23032CCK/W33+AH3032* SKF24080CACK30/W33 SKF31321 SKF6005/HR11TN SKF7038C/DB SKF7211BECBY SKFCR13579 SKFCR22X32X7HMSA10RG SKFFYRP2.3/16H SKFMB11C SKFNU306E SKFOKCX210 SKFQJ213N2MA SKFSNW3044x7.15/16 SKFUC209

61956MA深沟球轴承近似的SKF轴承型号

SKF61956MA SKF61956 SKF61956MA SKF61956MA SKF619/6

用户关注最多的轴承狗热门型号

国产  K43*50*18 ZKL  NU224 TORRINGTON  22226CCK/W33+H3126 FAG  BND2220-H-C-T-AL-S TIMKEN  48286/48220-B SKF  23092CACK/W33+H3092 LYC  6206 E-2RS/C3 SKF  71821CD/HCP4A KOYO  6217N LYC  NJ 18/1180 F1 KOYO  52415 国产  352124 NSK  7217BWG INA  GIKL10-PB INA  ZKLDF100

版权所有©2009-2015 轴承狗zcgou.com ICP备案:津ICP备14004550号-13