SKF61944MA轴承详细参数

发布时间:2026-04-14
深沟球轴承, 单列, 无密封件
主要数据尺寸 基本负荷额定值 疲劳负荷限值 额定速度 体积 型号
动态 静态 参照速度 限制速度
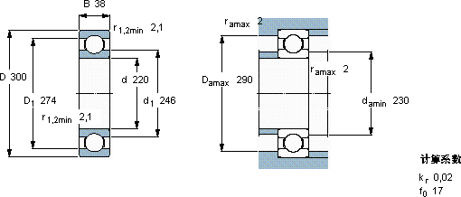
d D B C C0 Pu
mm kN kN r/min kg -
220300381511804,75430036008,0061944 MA

SKF61944MA深沟球轴承供应商

八零动力专业销售61944MA深沟球轴承,库存SKF61944MA大量现货,与SKF合作,咨询热线:022-58519723业务咨询
SKF61944MA它的品质卓越,为机械设备的高效、稳定运行保驾护航持久转动它的几何精度,让机械运转分毫不差 它在包装机械中的应用,确保了设备的高效率 它的滚动体与沟槽的配合,堪称完美 转动世界的精密之选,,八零动力SKF深沟球轴承品种全,价格优,质量有保证!

用户关注最多的SKF轴承型号

SKF315869A SKF358156 SKF61806-RS SKF71922C SKF7213AC/DF SKF7226BM SKFAHX3220 SKFAS3047 SKFCR19267 SKFCR97545 SKFK60x75x42 SKFNU2314ECP SKFP1.1/4ARM SKFSYE2.15/16H-18 SKFYAR208-108-2RF/HV

61944MA深沟球轴承近似的SKF轴承型号

SKF61944 SKF61944MA SKF61944MA SKF61944MA SKF61948

用户关注最多的轴承狗热门型号

SKF  BD1B351890A SKF  7304BEY NSK  65BNR19S SNR  6310 SKF  QJ206MA TIMKEN  EE161363/161901CD+X1S-161362 SKF  HM3180 FYH  UCK204 FAG  234710-M-SP NSK  51430X STEYR  6221-2Z INA  LTE30-2020-A KOYO  6228-RS LYC  8576 DW/ 8520 MAC  NU407

版权所有©2009-2015 轴承狗zcgou.com ICP备案:津ICP备14004550号-13