SKF61940MA轴承详细参数

发布时间:2026-04-15
深沟球轴承, 单列, 无密封件
主要数据尺寸 基本负荷额定值 疲劳负荷限值 额定速度 体积 型号
动态 静态 参照速度 限制速度
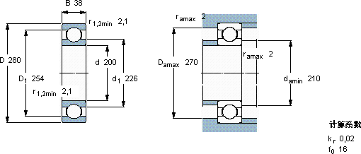
d D B C C0 Pu
mm kN kN r/min kg -
200280381481664,55480038007,4061940 MA

SKF61940MA深沟球轴承供应商

八零动力专业销售61940MA深沟球轴承,库存SKF61940MA大量现货,与SKF合作,咨询热线:022-58519723业务咨询
SKF61940MA稳定旋转的核心力量其设计和制造都达到了极高的水准,是一款不可多得的轴承制造工艺精湛,使得这款轴承的精度、稳定性和耐用性都非常出色它的润滑技术,减少了摩擦和磨损 设计独特的轴承,不仅性能优越,还具有很高的性价比高精度的制造工艺,让这款轴承的性能更加出色,八零动力SKF深沟球轴承品种全,价格优,质量有保证!

用户关注最多的SKF轴承型号

SKF18590/18520/Q SKF21313CCK SKF81224 SKFBC4B320612 SKFCR90810 SKFCR99625 SKFHA218 SKFHMV90E SKFM239449/410 SKFNJ2213E+HJ2213E SKFNNU4096M/W33 SKFNNU6948V SKFNU322ECM* SKFPCM11011550M SKFSYH2.1/4RM

61940MA深沟球轴承近似的SKF轴承型号

SKF61940 SKF61940MA SKF61940MA SKF61940MA SKF61944

用户关注最多的轴承狗热门型号

KOYO  2317 MRC  7016C/DB TIMKEN  SAF22324 FAG  BND3264-Z-Y-AF-S SNR  7210AC/DT NSK  NN4934MBKR INA  PAP1215-P10 FAG  BND2268-H-W-Y-BF-S NSK  UCFL214-210D1 SNR  7318AC/DT NTN  UCP308 INA  ZAXFM0835 FAG  SNV170-L + 2316-K-M-C3 + H2316X212 + TCV616 SKF  JM205149/110/Q SNR  6209-2Z

版权所有©2009-2015 轴承狗zcgou.com ICP备案:津ICP备14004550号-13